Page top

Industrial Automation

Industrial Automation

NX-TC

NX-series Temperature Control Unit

NX-TC

Optimize Control by Detecting Status Changes Easily Satisfy Both Productivity and Quality

General Specifications

Item Specification
Enclosure Mounted in a panel
Grounding method Ground to 100 Ω or less
Operating
environment
Ambient operating temperature 0 to 55°C
Ambient operating humidity 10 to 95% (with no condensation or icing)
Atmosphere Must be free from corrosive gases.
Ambient storage temperature -25 to 70°C (with no condensation or icing)
Altitude 2,000 m max.
Pollution degree Pollution degree 2 or less: Conforms to JIS B 3502 and IEC 61131-2.
Noise immunity Conforms to IEC 61000-4-4, 2 kV (power supply line)
Overvoltage category Category II: Conforms to JIS B 3502 and IEC 61131-2.
EMC immunity level Zone B
Vibration resistance Conforms to IEC 60068-2-6.
5 to 8.4 Hz with amplitude of 3.5 mm,
8.4 to 150 Hz, acceleration of 9.8 m/s2
100 min each in X, Y, and Z directions (10 sweeps of 10 min each =
100 min total)
Shock resistance Conforms to IEC 60068-2-27. 147 m/s2, 3 times each in X, Y, and Z
directions
Insulation resistance 20 MΩ min. between isolated circuits (at 100 VDC)
Dielectric strength 510 VAC between isolated circuits for 1 minute at a leakage current
of 5 mA max.
Applicable standards * cULus: Listed (UL 61010-2-201), ANSI/ISA 12.12.01,
EU: EN 61131-2, RCM, KC: KC Registration, NK, LR, BV, UKCA

* Ask your OMRON representative for the most recent applicable standards for each model.

List of Functions

Function name Description Applicable Units
Free-Run Refreshing With this I/O refreshing method, the refresh cycle of the NX
bus and the I/O refresh cycles of the NX Units are
asynchronous.
All models
Selecting Channel To Use This function disables control processing, error detection, and
output for unused channels. The conversion time for its own
Unit will not be shortened even if errors are disabled.
All models
Input
Functions
Input Type Setting This function sets the input type of the sensor connected to
the temperature input.
All models
Temperature Unit
Setting (°C/°F)
This function sets the temperature units for measured values
to °C (Celsius) or °F (Fahrenheit).
All models
Decimal Point Position
Setting
This function sets the number of digits to be displayed after
the decimal point for INT type measured values and set point
parameters.
All models
Cold Junction
Compensation
Enable/Disable Setting
This function enables or disables cold junction compensation
using the cold junction sensor that is mounted on the terminal
block when a thermocouple input is used.
All models
Temperature Input
Correction
This function corrects measured values. When there are
variations in the sensor or when there is a difference in
measured value from other measuring instruments. One-point
correction and two-point correction methods are provided.
All models
Input Digital Filter This function sets the time constant applied to the first-order
lag operation filter so that the noise components mixed with
the measured value are eliminated.
All models
Measuring the Ambient
Temperature Around
Terminals
This function measures the temperature around the terminals
of the Temperature Control Unit.
All models
Control
Processing
ON/OFF Control This control function uses a preset set point to turn off the
control output when the temperature reaches the set point
during control.
All models
PID Control PID control is a combination of proportional (P) control,
integral (I) control, and differential (D) control. It is a control
function that feeds back the detected value to the set point
so that they conform to each other.
All models
Heating/Cooling
Control
This function controls both heating and cooling. Heating/cooling
control type
models
Run or Stop Controls This function starts and stops temperature control. All models
Direct/Reverse
Operation
This function specifies direct or reverse operation. All models
Manual MV (Manual
Manipulated Variable)
This function outputs the specified manipulated variable
during PID control.
All models
MV at Error (error MV) This function outputs a fixed manipulated variable when a
Sensor Disconnected Error occurs.
All models
MV Limit This function adds a limit to the manipulated variable
calculated by PID control and outputs it.
All models
Load Rejection MV This function performs a preset output operation if the
Temperature Control Unit connected to the CPU Unit cannot
receive the output setting values from the CPU Unit due to
an NX bus error or CPU watchdog timer error. This function
performs a preset output operation if the Slave Terminal
cannot receive the output setting values due to a
communications error between the Temperature Control Unit
and the Communications Coupler Unit host or due to an error
on the NX bus.
All models
MV Branch *1 The manipulated variables calculated by the slope or offset
are output to the branch-destination channel based on the
manipulated variables of the branch-source channel.
Standard control
type models
Load Short-circuit
Protection
This function protects output circuits of the Temperature
Control Unit when an external device connected to the
control output is short-circuited.
Models with
voltage output
(for driving SSR)
Disturbance
Suppression
(Pre-boost) *2
This function suppresses temperature variations by adding a
preset manipulated variable before temperature variations
occur due to a disturbance.
Standard control
type models
Tuning AT (Autotuning) This is a tuning method that derives the PID constant. This
function automatically calculates the PID constant by the limit
cycle method according to the characteristics of the control
target.
All models
Automatic Filter
Adjustment
This is a tuning method that automatically adjusts the input
digital filter. This function is primarily for packing machines. It
suppresses periodic temperature variations.
Standard control
type models
Water-cooling Output
Adjustment
This is a tuning method that automatically adjusts hunting.
This function is primarily for water-cooled extruders. It
suppresses temperature variations caused by the cooling
water output.
Heating/cooling
control type
models
Adaptive Control This is a tuning method that can maintain high control
performance by following system changes. This function
maintains control performance even if temperature variation
factors such as environmental change and equipment
deterioration occur during a long-term equipment operation.
Standard control
type models
Notifying the Update of
Tuning Parameters
This function notifies that the Temperature Control Unit has
automatically updated the parameters by tuning.
All models
D-AT
(Disturbance
Autotuning) *2
This function automatically calculates disturbance suppression
(Preboost) function parameters such as FF waiting time, FF
operation time, and FF segments 1 to 4 manipulated variables.
Standard control
type models
Control
Output
Control Period This function sets the period when the ON/OFF time ratio is
changed for voltage output (for driving SSR) in time-
proportional operation.
Models with
voltage output
(for driving SSR)
Minimum Output
ON/OFF Band
This function specifies the minimum ON/OFF bands for the
heating side control output or the cooling side control output.
This function can be used to prevent deterioration of
mechanical relays when mechanical relays are used in the
actuators connected to the output terminals.
Models with
voltage output
(for driving SSR)
Output Signal Range
Setting
This function sets the output signal range of the linear current
output. You can specify 4 to 20 mA or 0 to 20 mA.
Models with
linear current
output
Limiting Simultaneous
Outputs
This function limits the number of outputs that turn ON
simultaneously by shifting the control period of each output
and restricting the upper limit of the manipulated variable. You
can set a delay between outputs, which allows delays in
output device operation that can occur when outputs are
switched.
Standard control
type models with
voltage output
(for driving SSR)
Error
Detection
Sensor Disconnection
Detection
This function detects disconnections in temperature sensors.
It also detects that the measured value of the temperature
sensor is outside the input indication range.
All models
Heater Burnout
Detection
This function detects heater burnouts. A heater burnout is
detected if the control output is ON and the heater current is
equal to or less than the heater burnout detection current.
Models with CT
input
SSR Failure Detection This function detects SSR failures. An SSR failure is detected
if the control output is OFF and the leakage current is equal to
or greater than the SSR failure detection current. An SSR
failure is a failure that is caused by an SSR short-circuit.
Models with CT
input
Temperature Alarms *1 Function for detecting a deviation or an error in the measured
value as an alarm. Alarm operation corresponding to the use
can be performed by selecting “Alarm type”.
All models
LBA
(Loop Burnout Alarm)
*1
Function for detecting, as an alarm, the error location in the
control loop when there is no change in the measured value
while a control deviation equal to or more than the threshold
value exists between the set point and the measured value.
All models

*1. Can be used with Unit version Ver.1.1 or later.
*2. Can be used with Unit version Ver.1.2 or later.

Individual Specifications

Temperature Control Unit (2-Channel Type) NX-TC2405

Unit name Temperature Control Unit
(2-Channel Type)
Model NX-TC2405
Number of Channels 2 channels Control type Standard control
Number of points per
channel
• Temperature input: 1 point
per channel (2 points per Unit)
• CT Input: 1 point per channel
(2 points per Unit)
• Control Output: 1 point per
channel (2 points per Unit)
External connection
terminal
Screwless clamping terminal
block (16 terminals)
I/O refreshing method Free-Run Refreshing
Indicators TS indicator and output
indicators
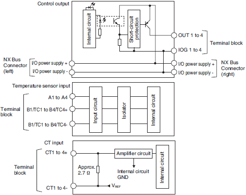
3699_sp_3_1
CT
Input
section
CT current
input range
0 to 0.125 A
Input
resistance
Approx. 2.7 Ω
Connectable
CTs
E54-CT1, E54-CT3,
E54-CT1L, and E54-CT3L
Maximum
heater current
50 A AC
Resolution 0.1 A
Overall
accuracy
(25°C)
±5% (full scale) ±1 digit
Influence of
temperature
(0 to 55°C)
±2% (full scale) ±1 digit
Conversion
time
50 ms per Unit
Control
Output
section
Control output
type and
number of
control outputs
per channel
Voltage output for driving
SSR, 1 point per channel
Internal I/O
common
PNP
Control Period 0.1, 0.2, 0.5, 1 to 99s
Manipulated
variable
-5 to +105%
Sensor
Input
section
Temperature
sensor *1
• Thermocouple input: K, J, T,
E, L, U, N, R, S, B, C/W, PL II
• Platinum resistance
thermometer input:
Pt100 (three-wire),
JPt100 (three-wire),
Pt1000 (three-wire)
Resolution --
Input
conversion
range
±20°C of the input range Rated Voltage 24 VDC
Absolute
maximum
rating
±130 mV Operating Load
Voltage Range
15 to 28.8 VDC
Input
impedance
20 kΩ min. Maximum load
current
21 mA per point, 42 mA per Unit
Resolution 0.1°C max. Maximum
Inrush Current
0.3 A max. per point, 10 ms max.
Reference
accuracy
*2 Allowable load
resistance
--
Temperature
coefficient
*2 Leakage
current
0.1 mA max.
Cold junction
compensation
error
±1.2°C *2 *3 Residual
voltage
1.5 V max.
Input
disconnection
detection
current
Approx. 0.1 uA Load Short-
circuit
Protection
Provided
Input
detection
current
0.25 mA Output range --
Effect of
conductor
resistance
• Thermocouple input: 0.1°C/
Ω (100 Ω or less per
conductor)
• Platinum resistance
thermometer input: 0.06°C/
Ω (20 Ω or less per
conductor)
Overall
accuracy
(25°C)
--
Warm-up
period
30 minutes Influence of
temperature
(0 to 55°C)
--
Conversion
time
50 ms per Unit
Dimensions 12 mm (W) ×100 mm (H) ×
71 mm (D)
Isolation method • Between sensor inputs and
internal circuitry: Power =
Transformer, Signal = Digital
isolator
• Between sensor inputs: Power =
Transformer, Signal = Digital
isolator
• No isolation between internal
circuits and CT inputs
• Between control output and
internal circuit: Photocoupler
• No isolation between control
outputs
Insulation resistance 20 MΩ min. between isolated
circuits (at 100 VDC)
Dielectric strength 510 VAC between isolated
circuits for 1 minute with a
leakage current of 5 mA max.
I/O power supply
method
Supplied from the NX bus. Current capacity of I/O
power supply terminals
IOG: 0.1 A max. per terminal
NX Unit power
consumption
• Connected to a CPU Unit
1.45 W max.
• Connected to
Communications Coupler
Unit 1.10 W max.
Current consumption
from I/O power supply
20 mA max.
Weight 75 g max.
Circuit configuration 3699_sp_3_2
Installation orientation
and restrictions
Mounting orientation:
• Connect to CPU Unit
Front mounting orientation is possible
• Connect to Communications Coupler Unit
Six orientations are possible

Limitation:
The cold junction compensation error is limited by the mounting orientation and the type or
power consumption of the adjacent Unit. For details, refer to Cold Junction Compensation
Error Specifications for Units That Take a Thermocouple Input Type.
Terminal connection
diagram
3699_sp_3_3

*1. For the setting ranges and indication ranges of the sensors, refer to the Input types.
*2. For details, refer to the Reference Accuracy and Temperature Coefficient Table.
      For thermocouple inputs, reference accuracy and cold junction compensation error are guaranteed for a set of a
      Temperature Control Unit and a terminal block on which a cold junction sensor is mounted.
      Be sure to use the terminal block and the Temperature Control Unit with the same calibration control number
      together.
      A calibration control number is displayed both on the terminal block and the Unit.
      Make sure to return the terminal block to which a cold junction sensor is mounted and the Unit together.
*3. For details, refer to Cold Junction Compensation Error Specifications for Units That Take a Thermocouple Input Type.

Temperature Control Unit (2-Channel Type) NX-TC2406

Unit name Temperature Control Unit
(2-Channel Type)
Model NX-TC2406
Number of Channels 2 channels Control type Standard control
Number of points per
channel
• Temperature input: 1 point
per channel (2 points per Unit)
• CT input: None
• Control Output: 1 point per
channel (2 points per Unit)
External connection
terminal
Screwless clamping terminal
block (16 terminals)
I/O refreshing method Free-Run Refreshing
Indicators TS indicator and output
indicators
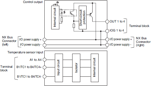
3699_sp_4_1
CT
Input
section
CT current
input range
--
Input
resistance
--
Connectable
CTs
--
Maximum
heater current
--
Resolution --
Overall
accuracy
(25°C)
--
Influence of
temperature
(0 to 55°C)
--
Conversion
time
--
Control
Output
section
Control output
type and
number of
control outputs
per channel
Voltage output for driving
SSR, 1 point per channel
Internal I/O
common
PNP
Control Period 0.1, 0.2, 0.5, 1 to 99s
Manipulated
variable
-5 to +105%
Sensor
Input
section
Temperature
sensor *1
• Thermocouple input: K, J, T,
E, L, U, N, R, S, B, C/W, PL II
• Platinum resistance
thermometer input:
Pt100 (three-wire),
JPt100 (three-wire),
Pt1000 (three-wire)
Resolution --
Input
conversion
range
±20°C of the input range
*2
Rated Voltage 24 VDC
Absolute
maximum
rating
±130 mV Operating Load
Voltage Range
15 to 28.8 VDC
Input
impedance
20 kΩ min. Maximum load
current
21 mA per point, 42 mA per Unit
Resolution 0.1°C max. Maximum
Inrush Current
0.3 A max. per point, 10 ms max.
Reference
accuracy
*2 Allowable load
resistance
--
Temperature
coefficient
*2 Leakage
current
0.1 mA max.
Cold junction
compensation
error
±1.2°C *2 *3 Residual
voltage
1.5 V max.
Input
disconnection
detection
current
Approx. 0.1 uA Load Short-
circuit
Protection
Provided
Input
detection
current
0.25 mA Output range --
Effect of
conductor
resistance
• Thermocouple input: 0.1°C/
Ω (100 Ω or less per
conductor)
• Platinum resistance
thermometer input: 0.06°C/
Ω (20 Ω or less per
conductor)
Overall
accuracy
(25°C)
--
Warm-up
period
30 minutes Influence of
temperature
(0 to 55°C)
--
Conversion
time
50 ms per Unit
Dimensions 12 mm (W) ×100 mm (H) ×
71 mm (D)
Isolation method • Between sensor inputs and
internal circuitry: Power =
Transformer, Signal = Digital
isolator
• Between sensor inputs: Power =
Transformer, Signal = Digital
isolator
• Between control output and
internal circuit: Photocoupler
• No isolation between control
outputs
Insulation resistance 20 MΩ min. between isolated
circuits (at 100 VDC)
Dielectric strength 510 VAC between isolated
circuits for 1 minute with a
leakage current of 5 mA max.
I/O power supply
method
Supplied from the NX bus. Current capacity of I/O
power supply terminals
IOG: 0.1 A max. per terminal
NX Unit power
consumption
• Connected to a CPU Unit
1.25 W max.
• Connected to
Communications Coupler
Unit 0.95 W max.
Current consumption
from I/O power supply
20 mA max.
Weight 75 g max.
Circuit configuration 3699_sp_4_2
Installation orientation
and restrictions
Mounting orientation:
• Connect to CPU Unit
Front mounting orientation is possible
• Connect to Communications Coupler Unit
Six orientations are possible

Limitation:
The cold junction compensation error is limited by the mounting orientation and the type or
power consumption of the adjacent Unit. For details, refer to Cold Junction Compensation
Error Specifications for Units That Take a Thermocouple Input Type.
Terminal connection
diagram
3699_sp_4_3

*1. For the setting ranges and indication ranges of the sensors, refer to the Input types.
*2. For details, refer to the Reference Accuracy and Temperature Coefficient Table.
      For thermocouple inputs, reference accuracy and cold junction compensation error are guaranteed for a set of a
      Temperature Control Unit and a terminal block on which a cold junction sensor is mounted.
      Be sure to use the terminal block and the Temperature Control Unit with the same calibration control number
      together.
      A calibration control number is displayed both on the terminal block and the Unit.
      Make sure to return the terminal block to which a cold junction sensor is mounted and the Unit together.
*3. For details, refer to Cold Junction Compensation Error Specifications for Units That Take a Thermocouple Input Type.

Temperature Control Unit (2-Channel Type) NX-TC2407

Unit name Temperature Control Unit
(2-Channel Type)
Model NX-TC2407
Number of Channels 2 channels Control type Heating and cooling control
Number of points per
channel
• Temperature input: 1 point
per channel (2 points per Unit)
• CT input: None
• Control Output: 2 point per
channel (4 points per Unit)
External connection
terminal
Screwless clamping terminal
block (16 terminals)
I/O refreshing method Free-Run Refreshing
Indicators TS indicator and output
indicators
3699_sp_5_1
CT
Input
section
CT current
input range
--
Input
resistance
--
Connectable
CTs
--
Maximum
heater current
--
Resolution --
Overall
accuracy
(25°C)
--
Influence of
temperature
(0 to 55°C)
--
Conversion
time
--
Control
Output
section
Control output
type and
number of
control outputs
per channel
Voltage output for driving
SSR, 2 point per channel
Internal I/O
common
PNP
Control Period 0.1, 0.2, 0.5, 1 to 99s
Manipulated
variable
• Heating: 0 to +105%
• Cooling: 0 to +105%
Sensor
Input
section
Temperature
sensor *1
• Thermocouple input: K, J, T,
E, L, U, N, R, S, B, C/W, PL II
• Platinum resistance
thermometer input:
Pt100 (three-wire),
JPt100 (three-wire),
Pt1000 (three-wire)
Resolution --
Input
conversion
range
±20°C of the input range
*2
Rated Voltage 24 VDC
Absolute
maximum
rating
±130 mV Operating Load
Voltage Range
15 to 28.8 VDC
Input
impedance
20 kΩ min. Maximum load
current
21 mA per point, 84 mA per Unit
Resolution 0.1°C max. Maximum
Inrush Current
0.3 A max. per point, 10 ms max.
Reference
accuracy
*2 Allowable load
resistance
--
Temperature
coefficient
*2 Leakage
current
0.1 mA max.
Cold junction
compensation
error
±1.2°C *2 *3 Residual
voltage
1.5 V max.
Input
disconnection
detection
current
Approx. 0.1 uA Load Short-
circuit
Protection
Provided
Input
detection
current
0.25 mA Output range --
Effect of
conductor
resistance
• Thermocouple input: 0.1°C/
Ω (100 Ω or less per
conductor)
• Platinum resistance
thermometer input: 0.06°C/
Ω (20 Ω or less per
conductor)
Overall
accuracy
(25°C)
--
Warm-up
period
30 minutes Influence of
temperature
(0 to 55°C)
--
Conversion
time
50 ms per Unit
Dimensions 12 mm (W) ×100 mm (H) ×
71 mm (D)
Isolation method • Between sensor inputs and
internal circuitry: Power =
Transformer, Signal = Digital
isolator
• Between sensor inputs: Power =
Transformer, Signal = Digital
isolator
• Between control output and
internal circuit: Photocoupler
• No isolation between control
outputs
Insulation resistance 20 MΩ min. between isolated
circuits (at 100 VDC)
Dielectric strength 510 VAC between isolated
circuits for 1 minute with a
leakage current of 5 mA max.
I/O power supply
method
Supplied from the NX bus. Current capacity of I/O
power supply terminals
IOG: 0.1 A max. per terminal
NX Unit power
consumption
• Connected to a CPU Unit
1.30 W max.
• Connected to
Communications Coupler
Unit 1.00 W max.
Current consumption
from I/O power supply
20 mA max.
Weight 75 g max.
Circuit configuration 3699_sp_5_2
Installation orientation
and restrictions
Mounting orientation:
• Connect to CPU Unit
Front mounting orientation is possible
• Connect to Communications Coupler Unit
Six orientations are possible

Limitation:
The cold junction compensation error is limited by the mounting orientation and the type or
power consumption of the adjacent Unit. For details, refer to Cold Junction Compensation
Error Specifications for Units That Take a Thermocouple Input Type.
Terminal connection
diagram
3699_sp_5_3

*1. For the setting ranges and indication ranges of the sensors, refer to the Input types.
*2. For details, refer to the Reference Accuracy and Temperature Coefficient Table.
      For thermocouple inputs, reference accuracy and cold junction compensation error are guaranteed for a set of a
      Temperature Control Unit and a terminal block on which a cold junction sensor is mounted.
      Be sure to use the terminal block and the Temperature Control Unit with the same calibration control number
      together.
      A calibration control number is displayed both on the terminal block and the Unit.
      Make sure to return the terminal block to which a cold junction sensor is mounted and the Unit together.
*3. For details, refer to Cold Junction Compensation Error Specifications for Units That Take a Thermocouple Input Type.

Temperature Control Unit (2-Channel Type) NX-TC2408

Unit name Temperature Control Unit
(2-Channel Type)
Model NX-TC2408
Number of Channels 2 channels Control type Standard control
Number of points per
channel
• Temperature input: 1 point
per channel (2 points per Unit)
• CT input: None
• Control Output: 1 point per
channel (2 points per Unit)
External connection
terminal
Screwless clamping terminal
block (16 terminals)
I/O refreshing method Free-Run Refreshing
Indicators TS indicator and output
indicators
3699_sp_6_1
CT
Input
section
CT current
input range
--
Input
resistance
--
Connectable
CTs
--
Maximum
heater current
--
Resolution --
Overall
accuracy
(25°C)
--
Influence of
temperature
(0 to 55°C)
--
Conversion
time
--
Control
Output
section
Control output
type and
number of
control outputs
per channel
Linear current output, one
output per channel
Internal I/O
common
--
Control Period --
Manipulated
variable
-5 to +105%
Sensor
Input
section
Temperature
sensor *1
• Thermocouple input: K, J, T,
E, L, U, N, R, S, B, C/W, PL II
• Platinum resistance
thermometer input:
Pt100 (three-wire),
JPt100 (three-wire),
Pt1000 (three-wire)
Resolution 1/10,000
Input
conversion
range
±20°C of the input range
*2
Rated Voltage 24 VDC
Absolute
maximum
rating
±130 mV Operating Load
Voltage Range
15 to 28.8 VDC
Input
impedance
20 kΩ min. Maximum load
current
--
Resolution 0.1°C max. Maximum
Inrush Current
--
Reference
accuracy
*2 Allowable load
resistance
350 Ω or less, or greater than
350 Ω but no more than 600
Ω *3
Temperature
coefficient
*2 Leakage
current
--
Cold junction
compensation
error
±1.2°C *2 *4 Residual
voltage
--
Input
disconnection
detection
current
Approx. 0.1 uA Load Short-
circuit
Protection
--
Input
detection
current
0.25 mA Output range 0 to 20 mA, 4 to 20 mA
Effect of
conductor
resistance
• Thermocouple input: 0.1°C/
Ω (100 Ω or less per
conductor)
• Platinum resistance
thermometer input: 0.06°C/
Ω (20 Ω or less per
conductor)
Overall
accuracy
(25°C)
±0.3% of full scale, but 1% of
full scale at 0 to 4 mA of 0 to
20 mA range
Warm-up
period
30 minutes Influence of
temperature
(0 to 55°C)
±0.3% (full scale)
Conversion
time
50 ms per Unit
Dimensions 12 mm (W) ×100 mm (H) ×
71 mm (D)
Isolation method • Between sensor inputs and
internal circuitry: Power =
Transformer, Signal = Digital
isolator
• Between sensor inputs: Power =
Transformer, Signal = Digital
isolator
• Between control output and
internal circuit: Photocoupler
• No isolation between control
outputs
Insulation resistance 20 MΩ min. between isolated
circuits (at 100 VDC)
Dielectric strength 510 VAC between isolated
circuits for 1 minute with a
leakage current of 5 mA max.
I/O power supply
method
Supplied from the NX bus. Current capacity of I/O
power supply terminals
IOG: 0.1 A max. per terminal
NX Unit power
consumption
• Connected to a CPU Unit
1.25 W max.
• Connected to
Communications Coupler
Unit 0.95 W max.
Current consumption
from I/O power supply
20 mA max.
Weight 75 g max.
Circuit configuration 3699_sp_6_2
Installation orientation
and restrictions
Mounting orientation:
• Connect to CPU Unit
Front mounting orientation is possible
• Connect to Communications Coupler Unit
Six orientations are possible

Limitation:
The cold junction compensation error is limited by the mounting orientation and the type or
power consumption of the adjacent Unit. For details, refer to Cold Junction Compensation
Error Specifications for Units That Take a Thermocouple Input Type.
Terminal connection
diagram
3699_sp_6_3

*1. For the setting ranges and indication ranges of the sensors, refer to the Input types.
*2. For details, refer to the Reference Accuracy and Temperature Coefficient Table.
      For thermocouple inputs, reference accuracy and cold junction compensation error are guaranteed for a set of a
      Temperature Control Unit and a terminal block on which a cold junction sensor is mounted.
     Be sure to use the terminal block and the Temperature Control Unit with the same calibration control number
     together.
     A calibration control number is displayed both on the terminal block and the Unit.
     Make sure to return the terminal block to which a cold junction sensor is mounted and the Unit together.
*3. To use an allowable load resistance greater than 350 Ω but not exceeding 600 Ω, SHT1 and SHT2 must be shorted
      with a shorting cable.
     For details, refer to the NX-series Temperature Control Units User’s Manual (Cat. No. W523).
*4. For details, refer to Cold Junction Compensation Error Specifications for Units That Take a Thermocouple Input Type.

Temperature Control Unit (4-Channel Type) NX-TC3405

Unit name Temperature Control Unit
(4-Channel Type)
Model NX-TC3405
Number of Channels 4 channels Control type Standard control
Number of points per
channel
• Temperature input: 1 point
per channel (4 points per Unit)
• CT Input: 1 point per channel
(4 points per Unit)
• Control Output: 1 point per
channel (4 points per Unit)
External connection
terminal
Screwless clamping terminal
block (16 terminals x 2)
I/O refreshing method Free-Run Refreshing
Indicators TS indicator and output
indicators
3699_sp_7_1
CT
Input
section
CT current
input range
0 to 0.125 A
Input
resistance
Approx. 2.7 Ω
Connectable
CTs
E54-CT1, E54-CT3,
E54-CT1L, and E54-CT3L
Maximum
heater current
50 A AC
Resolution 0.1 A
Overall
accuracy
(25°C)
±5% (full scale) ±1 digit
Influence of
temperature
(0 to 55°C)
±2% (full scale) ±1 digit
Conversion
time
50 ms per Unit
Control
Output
section
Control output
type and
number of
control outputs
per channel
Voltage output for driving
SSR, 1 point per channel
Internal I/O
common
PNP
Control Period 0.1, 0.2, 0.5, 1 to 99s
Manipulated
variable
-5 to +105%
Sensor
Input
section
Temperature
sensor *1
• Thermocouple input: K, J, T,
E, L, U, N, R, S, B, C/W, PL II
• Platinum resistance
thermometer input:
Pt100 (three-wire),
JPt100 (three-wire),
Pt1000 (three-wire)
Resolution --
Input
conversion
range
±20°C of the input range
*2
Rated Voltage 24 VDC
Absolute
maximum
rating
±130 mV Operating Load
Voltage Range
15 to 28.8 VDC
Input
impedance
20 kΩ min. Maximum load
current
21 mA per point, 84 mA per Unit
Resolution 0.1°C max. Maximum
Inrush Current
0.3 A max. per point, 10 ms max.
Reference
accuracy
*2 Allowable load
resistance
--
Temperature
coefficient
*2 Leakage
current
0.1 mA max.
Cold junction
compensation
error
±1.2°C *2 *3 Residual
voltage
1.5 V max.
Input
disconnection
detection
current
Approx. 0.1 uA Load Short-
circuit
Protection
Provided
Input
detection
current
0.25 mA Output range --
Effect of
conductor
resistance
• Thermocouple input: 0.1°C/
Ω (100 Ω or less per
conductor)
• Platinum resistance
thermometer input: 0.06°C/
Ω (20 Ω or less per
conductor)
Overall
accuracy
(25°C)
--
Warm-up
period
30 minutes Influence of
temperature
(0 to 55°C)
--
Conversion
time
50 ms per Unit
Dimensions 24 mm (W) ×100 mm (H) ×
71 mm (D)
Isolation method • Between sensor inputs and
internal circuitry: Power =
Transformer, Signal = Digital
isolator
• Between sensor inputs: Power =
Transformer, Signal = Digital
isolator
• No isolation between internal
circuits and CT inputs
• Between control output and
internal circuit: Photocoupler
• No isolation between control
outputs
Insulation resistance 20 MΩ min. between isolated
circuits (at 100 VDC)
Dielectric strength 510 VAC between isolated
circuits for 1 minute with a
leakage current of 5 mA max.
I/O power supply
method
Supplied from the NX bus. Current capacity of I/O
power supply terminals
IOG: 0.1 A max. per terminal
NX Unit power
consumption
• Connected to a CPU Unit
1.80 W max.
• Connected to
Communications Coupler
Unit 1.35 W max.
Current consumption
from I/O power supply
20 mA max.
Weight 140 g max.
Circuit configuration 3699_sp_7_2
Installation orientation
and restrictions
Mounting orientation:
• Connect to CPU Unit
Front mounting orientation is possible
• Connect to Communications Coupler Unit
Six orientations are possible

Limitation:
The cold junction compensation error is limited by the mounting orientation and the type or
power consumption of the adjacent Unit. For details, refer to Cold Junction Compensation
Error Specifications for Units That Take a Thermocouple Input Type.
Terminal connection
diagram
3699_sp_7_3

*1. For the setting ranges and indication ranges of the sensors, refer to the Input types.
*2. For details, refer to the Reference Accuracy and Temperature Coefficient Table.
      For thermocouple inputs, reference accuracy and cold junction compensation error are guaranteed for a set of a
      Temperature Control Unit and a terminal block on which a cold junction sensor is mounted.
      Be sure to use the terminal block and the Temperature Control Unit with the same calibration control number
      together.
      A calibration control number is displayed both on the terminal block and the Unit.
      In order to distinguish left and right terminal blocks, each terminal block has either a letter "L" (left side) or "R" (right
      side) appended at the end of a calibration control number.
      Make sure to return the terminal block to which a cold junction sensor is mounted and the Unit together.
*3. For details, refer to Cold Junction Compensation Error Specifications for Units That Take a Thermocouple Input Type.

Temperature Control Unit (4-Channel Type) NX-TC3406

Unit name Temperature Control Unit
(4-Channel Type)
Model NX-TC3406
Number of Channels 4 channels Control type Standard control
Number of points per
channel
• Temperature input: 1 point
per channel (4 points per Unit)
• CT input: None
• Control Output: 1 point per
channel (4 points per Unit)
External connection
terminal
Screwless clamping terminal
block (16 terminals x 2)
I/O refreshing method Free-Run Refreshing
Indicators TS indicator and output
indicators
3699_sp_8_1
CT
Input
section
CT current
input range
--
Input
resistance
--
Connectable
CTs
--
Maximum
heater current
--
Resolution --
Overall
accuracy
(25°C)
--
Influence of
temperature
(0 to 55°C)
--
Conversion
time
--
Control
Output
section
Control output
type and
number of
control outputs
per channel
Voltage output for driving
SSR, 1 point per channel
Internal I/O
common
PNP
Control Period 0.1, 0.2, 0.5, 1 to 99s
Manipulated
variable
-5 to +105%
Sensor
Input
section
Temperature
sensor *1
• Thermocouple input: K, J, T,
E, L, U, N, R, S, B, C/W, PL II
• Platinum resistance
thermometer input:
Pt100 (three-wire),
JPt100 (three-wire),
Pt1000 (three-wire)
Resolution --
Input
conversion
range
±20°C of the input range
*2
Rated Voltage 24 VDC
Absolute
maximum
rating
±130 mV Operating Load
Voltage Range
15 to 28.8 VDC
Input
impedance
20 kΩ min. Maximum load
current
21 mA per point, 84 mA per Unit
Resolution 0.1°C max. Maximum
Inrush Current
0.3 A max. per point, 10 ms max.
Reference
accuracy
*2 Allowable load
resistance
--
Temperature
coefficient
*2 Leakage
current
0.1 mA max.
Cold junction
compensation
error
±1.2°C *2 *3 Residual
voltage
1.5 V max.
Input
disconnection
detection
current
Approx. 0.1 uA Load Short-
circuit
Protection
Provided
Input
detection
current
0.25 mA Output range --
Effect of
conductor
resistance
• Thermocouple input: 0.1°C/
Ω (100 Ω or less per
conductor)
• Platinum resistance
thermometer input: 0.06°C/
Ω (20 Ω or less per
conductor)
Overall
accuracy
(25°C)
--
Warm-up
period
30 minutes Influence of
temperature
(0 to 55°C)
--
Conversion
time
50 ms per Unit
Dimensions 24 mm (W) ×100 mm (H) ×
71 mm (D)
Isolation method • Between sensor inputs and
internal circuitry: Power =
Transformer, Signal = Digital
isolator
• Between sensor inputs: Power =
Transformer, Signal = Digital
isolator
• Between control output and
internal circuit: Photocoupler
• No isolation between control
outputs
Insulation resistance 20 MΩ min. between isolated
circuits (at 100 VDC)
Dielectric strength 510 VAC between isolated
circuits for 1 minute with a
leakage current of 5 mA max.
I/O power supply
method
Supplied from the NX bus. Current capacity of I/O
power supply terminals
IOG: 0.1 A max. per terminal
NX Unit power
consumption
• Connected to a CPU Unit
1.70 W max.
• Connected to
Communications Coupler
Unit 1.25 W max.
Current consumption
from I/O power supply
20 mA max.
Weight 140 g max.
Circuit configuration 3699_sp_8_2
Installation orientation
and restrictions
Mounting orientation:
• Connect to CPU Unit
Front mounting orientation is possible
• Connect to Communications Coupler Unit
Six orientations are possible

Limitation:
The cold junction compensation error is limited by the mounting orientation and the type or
power consumption of the adjacent Unit. For details, refer to Cold Junction Compensation
Error Specifications for Units That Take a Thermocouple Input Type.
Terminal connection
diagram
3699_sp_8_3

*1. For the setting ranges and indication ranges of the sensors, refer to the Input types.
*2. For details, refer to the Reference Accuracy and Temperature Coefficient Table.
     For thermocouple inputs, reference accuracy and cold junction compensation error are guaranteed for a set of a
     Temperature Control Unit and a terminal block on which a cold junction sensor is mounted.
     Be sure to use the terminal block and the Temperature Control Unit with the same calibration control number
     together.
     A calibration control number is displayed both on the terminal block and the Unit.
     In order to distinguish left and right terminal blocks, each terminal block has either a letter "L" (left side) or "R" (right
     side) appended at the end of a calibration control number.
     Make sure to return the terminal block to which a cold junction sensor is mounted and the Unit together.
*3. For details, refer to Cold Junction Compensation Error Specifications for Units That Take a Thermocouple Input Type.

Temperature Control Unit (4-Channel Type) NX-TC3407

Unit name Temperature Control Unit
(4-Channel Type)
Model NX-TC3407
Number of Channels 4 channels Control type heating and cooling control
Number of points per
channel
• Temperature input: 1 point
per channel (4 points per Unit)
• CT input: None
• Control Output: 2 point per
channel (8 points per Unit)
External connection
terminal
Screwless clamping terminal
block (16 terminals x 2)
I/O refreshing method Free-Run Refreshing
Indicators TS indicator and output
indicators
3699_sp_9_1
CT
Input
section
CT current
input range
--
Input
resistance
--
Connectable
CTs
--
Maximum
heater current
--
Resolution --
Overall
accuracy
(25°C)
--
Influence of
temperature
(0 to 55°C)
--
Conversion
time
--
Control
Output
section
Control output
type and
number of
control outputs
per channel
Voltage output for driving
SSR, 2 point per channel
Internal I/O
common
PNP
Control Period 0.1, 0.2, 0.5, 1 to 99s
Manipulated
variable
• Heating: 0 to +105%
• Cooling: 0 to +105%
Sensor
Input
section
Temperature
sensor *1
• Thermocouple input: K, J, T,
E, L, U, N, R, S, B, C/W, PL II
• Platinum resistance
thermometer input:
Pt100 (three-wire),
JPt100 (three-wire),
Pt1000 (three-wire)
Resolution --
Input
conversion
range
±20°C of the input range
*2
Rated Voltage 24 VDC
Absolute
maximum
rating
±130 mV Operating Load
Voltage Range
15 to 28.8 VDC
Input
impedance
20 kΩ min. Maximum load
current
21 mA per point, 168 mA per Unit
Resolution 0.1°C max. Maximum
Inrush Current
0.3 A max. per point, 10 ms max.
Reference
accuracy
*2 Allowable load
resistance
--
Temperature
coefficient
*2 Leakage
current
0.1 mA max.
Cold junction
compensation
error
±1.2°C *2 *3 Residual
voltage
1.5 V max.
Input
disconnection
detection
current
Approx. 0.1 uA Load Short-
circuit
Protection
Provided
Input
detection
current
0.25 mA Output range --
Effect of
conductor
resistance
• Thermocouple input: 0.1°C/
Ω (100 Ω or less per
conductor)
• Platinum resistance
thermometer input: 0.06°C/
Ω (20 Ω or less per
conductor)
Overall
accuracy
(25°C)
--
Warm-up
period
30 minutes Influence of
temperature
(0 to 55°C)
--
Conversion
time
50 ms per Unit
Dimensions 24 mm (W) ×100 mm (H) ×
71 mm (D)
Isolation method • Between sensor inputs and
internal circuitry: Power =
Transformer, Signal = Digital
isolator
• Between sensor inputs:: Power =
Transformer, Signal = Digital
isolator
• Between control output and
internal circuit: Photocoupler
• No isolation between control
outputs
Insulation resistance 20 MΩ min. between isolated
circuits (at 100 VDC)
Dielectric strength 510 VAC between isolated
circuits for 1 minute with a
leakage current of 5 mA max.
I/O power supply
method
Supplied from the NX bus. Current capacity of I/O
power supply terminals
IOG: 0.1 A max. per terminal
NX Unit power
consumption
• Connected to a CPU Unit
1.75 W max.
• Connected to
Communications Coupler
Unit 1.30 W max.
Current consumption
from I/O power supply
20 mA max.
Weight 140 g max.
Circuit configuration 3699_sp_9_2
Installation orientation
and restrictions
Mounting orientation:
• Connect to CPU Unit
Front mounting orientation is possible
• Connect to Communications Coupler Unit
Six orientations are possible

Limitation:
The cold junction compensation error is limited by the mounting orientation and the type or
power consumption of the adjacent Unit. For details, refer to Cold Junction Compensation
Error Specifications for Units That Take a Thermocouple Input Type.
Terminal connection
diagram
3699_sp_9_3

*1. For the setting ranges and indication ranges of the sensors, refer to the Input types.
*2. For details, refer to the Reference Accuracy and Temperature Coefficient Table.
     For thermocouple inputs, reference accuracy and cold junction compensation error are guaranteed for a set of a
     Temperature Control Unit and a terminal block on which a cold junction sensor is mounted.
     Be sure to use the terminal block and the Temperature Control Unit with the same calibration control number
     together.
     A calibration control number is displayed both on the terminal block and the Unit.
     In order to distinguish left and right terminal blocks, each terminal block has either a letter "L" (left side) or "R" (right
     side) appended at the end of a calibration control number.
     Make sure to return the terminal block to which a cold junction sensor is mounted and the Unit together.
*3. For details, refer to Cold Junction Compensation Error Specifications for Units That Take a Thermocouple Input Type.

Temperature Control Unit (4-Channel Type) NX-TC3408

Unit name Temperature Control Unit
(4-Channel Type)
Model NX-TC3408
Number of Channels 4 channels Control type Standard control
Number of points per
channel
• Temperature input: 1 point
per channel (4 points per Unit)
• CT input: None
• Control Output: 1 point per
channel (4 points per Unit)
External connection
terminal
Screwless clamping terminal
block (16 terminals x 2)
I/O refreshing method Free-Run Refreshing
Indicators TS indicator and output
indicators
3699_sp_10_1
CT
Input
section
CT current
input range
--
Input
resistance
--
Connectable
CTs
--
Maximum
heater current
--
Resolution --
Overall
accuracy
(25°C)
--
Influence of
temperature
(0 to 55°C)
--
Conversion
time
--
Control
Output
section
Control output
type and
number of
control outputs
per channel
Linear current output, one
output per channel
Internal I/O
common
--
Control Period --
Manipulated
variable
-5 to +105%
Sensor
Input
section
Temperature
sensor *1
• Thermocouple input: K, J, T,
E, L, U, N, R, S, B, C/W, PL II
• Platinum resistance
thermometer input:
Pt100 (three-wire),
JPt100 (three-wire),
Pt1000 (three-wire)
Resolution 1/10,000
Input
conversion
range
±20°C of the input range
*2
Rated Voltage 24 VDC
Absolute
maximum
rating
±130 mV Operating Load
Voltage Range
15 to 28.8 VDC
Input
impedance
20 kΩ min. Maximum load
current
--
Resolution 0.1°C max. Maximum
Inrush Current
--
Reference
accuracy
*2 Allowable load
resistance
350 Ω or less, or greater than
350 Ω but no more than 600
Ω *3
Temperature
coefficient
*2 Leakage
current
--
Cold junction
compensation
error
±1.2°C *2 *4 Residual
voltage
--
Input
disconnection
detection
current
Approx. 0.1 uA Load Short-
circuit
Protection
--
Input
detection
current
0.25 mA Output range 0 to 20 mA, 4 to 20 mA
Effect of
conductor
resistance
• Thermocouple input: 0.1°C/
Ω (100 Ω or less per
conductor)
• Platinum resistance
thermometer input: 0.06°C/
Ω (20 Ω or less per
conductor)
Overall
accuracy
(25°C)
±0.3% of full scale, but 1% of
full scale at 0 to 4 mA of 0 to
20 mA range
Warm-up
period
30 minutes Influence of
temperature
(0 to 55°C)
±0.3% (full scale)
Conversion
time
50 ms per Unit
Dimensions 24 mm (W) ×100 mm (H) ×
71 mm (D)
Isolation method • Between sensor inputs and
internal circuitry: Power =
Transformer, Signal = Digital
isolator
• Between sensor inputs: Power =
Transformer, Signal = Digital
isolator
• Between control output and
internal circuit: Photocoupler
• No isolation between control
outputs
Insulation resistance 20 MΩ min. between isolated
circuits (at 100 VDC)
Dielectric strength 510 VAC between isolated
circuits for 1 minute with a
leakage current of 5 mA max.
I/O power supply
method
Supplied from the NX bus. Current capacity of I/O
power supply terminals
IOG: 0.1 A max. per terminal
NX Unit power
consumption
• Connected to a CPU Unit
1.65 W max.
• Connected to
Communications Coupler
Unit 1.25 W max.
Current consumption
from I/O power supply
30 mA max.
Weight 140 g max.
Circuit configuration 3699_sp_10_2
Installation orientation
and restrictions
Mounting orientation:
• Connect to CPU Unit
Front mounting orientation is possible
• Connect to Communications Coupler Unit
Six orientations are possible

Limitation:
The cold junction compensation error is limited by the mounting orientation and the type or
power consumption of the adjacent Unit. For details, refer to Cold Junction Compensation
Error Specifications for Units That Take a Thermocouple Input Type.
Terminal connection
diagram
3699_sp_10_3

*1. For the setting ranges and indication ranges of the sensors, refer to the Input types.
*2. For details, refer to the Reference Accuracy and Temperature Coefficient Table.
      For thermocouple inputs, reference accuracy and cold junction compensation error are guaranteed for a set of a
      Temperature Control Unit and a terminal block on which a cold junction sensor is mounted.
      Be sure to use the terminal block and the Temperature Control Unit with the same calibration control number
      together.
      A calibration control number is displayed both on the terminal block and the Unit.
      In order to distinguish left and right terminal blocks, each terminal block has either a letter "L" (left side) or "R" (right
      side) appended at the end of a calibration control number.
     Make sure to return the terminal block to which a cold junction sensor is mounted and the Unit together.
*3. To use an allowable load resistance greater than 350 Ω but not exceeding 600 Ω, either SHT1 and SHT2, or SHT3 and
      SHT4 must be shorted with a shorting cable.
      For details, refer to the NX-series Temperature Control Units User’s Manual (Cat. No. W523).
*4. For details, refer to Cold Junction Compensation Error Specifications for Units That Take a Thermocouple Input Type.

Input types

The settings are shown in the following table.

Setting name *1 Display of
support software
Description Default Setting
range
Unit Change
application timing
Ch[] input type Ch[] Input Type Sets the input type of
sensors connected to
temperature input.
5: K -200 to
1300°C
*2 No After Unit restart

*1.[] represents the channel number.
*2. The setting ranges are shown below. However, the 21, 22, and 23 input types can be used with Unit versions 1.2 and later.

Set
values
Input types Input indication range Remarks
Sensor Input setting range
0 Pt100 -200 to 850°C/-300 to 1500°F -220 to 870°C/-340 to 1540°F Resistance
thermometer
1 Pt100 -199.9 to 500.0°C/-199.9 to 900.0°F -219.9 to 520.0°C/-239.9 to 940.0°F
2 Pt100 -0.0 to 100.0°C/0.0 to 210.0°F -20.0 to 120.0°C/-40.0 to 250.0°F
3 JPt100 -199.9 to 500.0°C/-199.9 to 900.0°F -219.9 to 520.0°C/-239.9 to 940.0°F
4 JPt100 -0.0 to 100.0°C/0.0 to 210.0°F -20.0 to 120.0°C/-40.0 to 250.0°F
5 K -200 to 1300°C/-300 to 2300°F -220 to 1320°C/-340 to 2340°F Thermocouple
6 K -20.0 to 500.0°C/0.0 to 900.0°F -40.0 to 520.0°C/-40.0 to 940.0°F
7 J -100 to 850°C/-100.0 to 1500°F -120 to 870°C/-140 to 1540°F
8 J -20.0 to 400.0°C/0.0 to 750.0°F -40.0 to 420.0°C/-40.0 to 790.0°F
9 T -200 to 400°C/-300 to 700°F -220 to 420°C/-340 to 740°F
10 T -199.9 to 400.0°C/-199.9 to 700.0°F -219.9 to 420.0°C/-239.9 to 740°F
11 E -200 to 600°C/-300 to 1100°F -220 to 620°C/-340 to 1140°F
12 L -100 to 850°C/-100 to 1500°F -120 to 870°C/-140 to 1540°F
13 U -200 to 400°C/-300 to 700°F -220 to 420°C/-340 to 740°F
14 U -199.9 to 400.0°C/-199.9 to 700.0°F -219.9 to 420.0°C/-239.9 to 740°F
15 N -200 to 1300°C/-300 to 2300°F -220 to 1320°C/-340 to 2340°F
16 R 0 to 1700°C/0 to 3000°F -20 to 1720°C/-40 to 3040°F
17 S 0 to 1700°C/0 to 3000°F -20 to 1720°C/-40 to 3040°F
18 B 0 to 1800°C/0 to 3200°F -20 to 1820°C/-40 to 3240°F
19 C/W 0 to 2300°C/0 to 3200°F -20 to 2320°C/-40 to 3240°F
20 PLII 0 to 1300°C/0 to 2300°F -20 to 1320°C/-40 to 2340°F
21 Pt1000 -200 to 850°C/-300 to 1500°F 220 to 870°C/-340 to 1540°F Resistance
thermometer
22 Pt1000 -199.9 to 500.0°C/-199.9 to 900.0°F 219.9 to 520.0°C/-239.9 to 940.0°F
23 Pt1000 0.0 to 100.0°C/0.0 to 210.0°F 20.0 to 120.0°C/-40.0 to 250.0°F

Reference Accuracy and Temperature Coefficient Table

Reference accuracies and temperature coefficients are shown below by input type and measurement temperature.
To convert the temperature Unit from Celsius to Fahrenheit, use the following equation.
Fahrenheit temperature (°F) = Celsius temperature (°C) x 1.8 + 32

Set
values
Input type Measurement
temperature (°C)
Reference
accuracy °C (%)
*2
Temperature coefficient
°C/°C *3
(ppm/°C *4)
Sensor Temperature
range (°C) *1
0 Pt100 -200 to 850 -200 to 300 ±1.0 (±0.1%) ±0.1 (±100 ppm/°C)
300 to 700 ±2.0 (±0.2%) ±0.2 (±200 ppm/°C)
700 to 850 ±2.5 (±0.25%) ±0.25 (±250 ppm/°C)
1 Pt100 -199.9 to 500.0 -199.9 to 300.0 ±0.8 (±0.12%) ±0.1 (±150 ppm/°C)
300.0 to 500.0 ±0.8 (±0.12%) ±0.2 (±300 ppm/°C)
2 Pt100 0.0 to 100.0 0.0 to 100.0 ±0.8 (±0.8%) ±0.1 (±1000 ppm/°C)
3 JPt100 -199.9 to 500.0 -199.9 to 300.0 ±0.8 (±0.12%) ±0.1 (±150 ppm/°C)
300.0 to 500.0 ±0.8 (±0.12%) ±0.2 (±300 ppm/°C)
4 JPt100 0.0 to 100.0 0.0 to 100.0 ±0.8 (±0.8%) ±0.1 (±1000 ppm/°C)
5 K -200 to 1300 -200 to -100 ±1.5 (±0.1%) ±0.15 (±100 ppm/°C)
-100 to 400 ±0.30 (±200 ppm/°C)
400 to 1300 ±0.38 (±250 ppm/°C)
6 K -20.0 to 500.0 -20.0 to 400.0 ±1.0 (±0.2%) ±0.30 (±600 ppm/°C)
400.0 to 500.0 ±0.38 (±760 ppm/°C)
7 J -100 to 850 -100 to 400 ±1.4 (±0.15%) ±0.14 (±150 ppm/°C)
400 to 850 ±1.2 (±0.13%) ±0.28 (±300 ppm/°C)
8 J -20.0 to 400.0 -20.0 to 400.0 ±1.0 (±0.24%) ±0.14 (±350 ppm/°C)
9 T -200 to 400 -200 to -100 ±1.2 (±0.2%) ±0.30 (±500 ppm/°C)
-100 to 400 ±0.12 (±200 ppm/°C)
10 T -199.9 to 400.0 -199.9 to -100.0 ±1.2 (±0.2%) ±0.30 (±500 ppm/°C)
-100.0 to 400.0 ±0.12 (±200 ppm/°C)
11 E -200 to 600 -200 to 400 ±1.2 (±0.15%) ±0.12 (±150 ppm/°C)
400 to 600 ±2.0 (±0.25%) ±0.24 (±300 ppm/°C)
12 L -100 to 850 -100 to 300 ±1.1 (±0.12%) ±0.11 (±120 ppm/°C)
300 to 700 ±2.2 (±0.24%) ±0.22 (±240 ppm/°C)
700 to 850 ±0.28 (±300 ppm/°C)
13 U -200 to 400 -200 to 400 ±1.2 (±0.2%) ±0.12 (±200 ppm/°C)
14 U -199.9 to 400.0 -199.9 to 400.0 ±1.2 (±0.2%) ±0.12 (±200 ppm/°C)
15 N -200 to 1300 -200 to 400 ±1.5 (±0.1%) ±0.30 (±200 ppm/°C)
400 to 1000
1000 to 1300 ±0.38 (±250 ppm/°C)
16 R 0 to 1700 0 to 500 ±1.75 (±0.11%) ±0.44 (±260 ppm/°C)
500 to 1200 ±2.5 (±0.15%)
1200 to 1700
17 S 0 to 1700 0 to 1700 ±2.5 (±0.15%) ±0.44 (±260 ppm/°C)
18 B 0 to 1800 0 to 400 Reference accuracy
cannot be guaranteed
Reference accuracy
cannot be guaranteed
400 to 1200 ±3.6 (±0.2%) ±0.45 (±250 ppm/°C)
1200 to 1800 ±5.0 (±0.28%) ±0.54 (±300 ppm/°C)
19 C/W 0 to 2300 0 to 300 ±1.15 (±0.05%) ±0.46 (±200 ppm/°C)
300 to 800 ±2.3 (±0.1%)
800 to 1500 ±3.0 (±0.13%)
1500 to 2300 ±0.691 (±300 ppm/°C)
20 PL II 0 to 1300 0 to 400 ±1.3 (±0.1%) ±0.23 (±200 ppm/°C)
400 to 800 ±2.0 (±0.15%) ±0.39 (±300 ppm/°C
800 to 1300 ±0.65 (±500 ppm/°C)
21 Pt1000 -200 to 850 -200 to 300 ±1.0 (±0.1%) ±0.1 (±100ppm/°C)
300 to 700 ±2.0 (±0.2%) ±0.2 (±200ppm/°C)
700 to 850 ±2.5 (±0.25%) ±0.25 (±250ppm/°C)
22 Pt1000 -199.9 to 500.0 -199.9 to 300.0 ±0.8 (±0.12%) ±0.1 (±150ppm/°C)
300.0 to 500.0 ±0.2 (±300ppm/°C)
23 Pt1000 0.0 to 100.0 0.0 to 100.0 ±0.8 (±0.8%) ±0.1 (±1000ppm/°C)

*1. The decimal point position of the various input types is "no decimal point" or "decimal point 1 digit". When calculating
      measured value error, round up calculation results in accordance with the decimal point position of the temperature
      range.
*2. The overall accuracy of the Temperature Control Unit is guaranteed for a set consisting of a cold junction sensor that
      is mounted on the terminal block and a Temperature Control Unit. Be sure to use the terminal block and Temperature
      Control Unit with the same calibration control number together. For the 24mm width model, also be sure the left and
      right terminal blocks are correctly attached.

NX-TC Specifications 28

*3. An error for a measured value when the ambient temperature changes by 1°C.
     The following formula is used to calculate the error of the measured value for thermocouple inputs..
     Overall accuracy = Reference accuracy + Temperature characteristic x Change in the ambient temperature + Cold
     junction compensation error For resistance thermometer inputs, there is no cold junction compensation error.
     (Calculation example)

Conditions

Item Description
Ambient temperature 30°C
Measured value 100°C
Thermocouple K: -200 to 1300°C

The characteristic values are formulated from the datasheet or reference accuracy and temperature coefficient table under the above conditions

Item Description
Reference accuracy -100 to 400°C: ±1.5°C
Temperature coefficient -100 to 400°C: ±0.30°C/°C
Change in the ambient temperature 25°C -> 30°C 5 deg
Cold junction compensation error ±1.2°C

Therefore,
Overall accuracy = Reference accuracy + Temperature characteristic x Change in the ambient temperature +
Cold junction compensation error
        = ±1.5°C +(±0.30°C/°C) x 5 deg + ±1.2°C
        = ±4.2°C
-200 to 1300°C without decimal point. the calculation result is round up after the decimal point.
Then the overall accuracy is ±5°C.

*4. The ppm value is for the full scale of the temperature range.

Cold Junction Compensation Error Specifications for Units That Take a Thermocouple Input Type

This section describes the cold junction compensation errors for thermocouple inputs, which differ by installation orientation of this Unit, type of adjacent Units, and current consumed by the adjacent Units.

When the Adjacent Units are Temperature Control Units

This section describes the cold junction compensation errors when the adjacent Units are Temperature Control Units. The error differs by installation orientation.

(a) For upright installation

The cold junction compensation error is ±1.2°C.
However, there are exceptions depending on the input type and temperature. Those conditions and the cold junction compensation error are as in the table below.

Input type and temperature range Cold junction compensation error
T below -90°C ±3.0°C
J, E, K and N below -100°C
U, L and PLII
R and S below 200°C
B below 400°C Not guaranteed
C/W ±3.0°C

(b) For other than upright installation

The cold junction compensation error is ±4.0°C.
However, there are exceptions depending on the input type and temperature. Those conditions and the cold junction compensation error are as in the table below.

Input type and temperature range Cold junction compensation error
T below -90°C ±7.0°C
J, E, K and N below -100°C
U, L and PLII
R and S below 200°C
B below 400°C Not guaranteed
C/W ±9.0°C

When the Adjacent Units are not Temperature Control Units

This section describes the cold junction compensation errors when the adjacent Units are not Temperature Control Units. The error differs by the installation orientation and power consumption by the adjacent Units.

(a) For upright installation, when the power consumption is 1.5 W or less for both the left and right adjacent Units

The cold junction compensation error is ±1.2°C.
However, there are exceptions depending on the input type and temperature. Those conditions and the cold junction compensation error are as in the table below.

Input type and temperature range Cold junction compensation error
T below -90°C ±3.0°C
J, E, K and N below -100°C
U, L and PLII
R and S below 200°C
B below 400°C Not guaranteed
C/W ±3.0°C

(b) When the power consumption of either the left or the right adjacent Unit is more than 1.5 W but less than 3.9 W.
     Or for any installation other than upright, when the power consumption of both the left and right adjacent Units is
     less than 3.9 W

The cold junction compensation error is ±4.0°C.
However, there are exceptions depending on the input type and temperature. Those conditions and the cold junction compensation error are as in the table below.

Input type and temperature range Cold junction compensation error
T below -90°C ±7.0°C
J, E, K and N below -100°C
U, L and PLII
R and S below 200°C
B below 400°C Not guaranteed
C/W ±9.0°C

(c) When the power consumption exceeds 3.9 W for either the left or right adjacent Unit

Do not use the above condition (c) because the cold junction compensation error is not guaranteed in this condition.

(d) The power consumption of adjacent Units

The power consumption of adjacent Units is the total of the following values.
• The power consumption of the NX Unit power supply and I/O power supply for the NX Units adjacent to the Temperature Input Unit. If the adjacent Unit is an Input Unit, it is the total power consumption according to the input current.

Version Information

Connected to a CPU Unit

Refer to the user's manual for the CPU Unit for details on the CPU Units to which NX Units can be connected.

NX Unit Corresponding version *1
Model Unit Version CPU Unit Sysmac Studio
NX-TC2405 Ver.1.0 Ver. 1.13 Ver.1.21
Ver.1.1 Ver.1.22
Ver.1.2 Ver.1.30
Ver.1.3 Ver.1.40
NX-TC2406 Ver.1.0 Ver.1.21
Ver.1.1 Ver.1.22
Ver.1.2 Ver.1.30
Ver.1.3 Ver.1.40
NX-TC2407 Ver.1.0 Ver.1.21
Ver.1.1 Ver.1.22
Ver.1.2 Ver.1.30
Ver.1.3 Ver.1.40
NX-TC2408 Ver.1.0 Ver.1.21
Ver.1.1 Ver.1.22
Ver.1.2 Ver.1.30
Ver.1.3 Ver.1.40
NX-TC3405 Ver.1.0 Ver.1.21
Ver.1.1 Ver.1.22
Ver.1.2 Ver.1.30
Ver.1.3 Ver.1.40
NX-TC3406 Ver.1.0 Ver.1.21
Ver.1.1 Ver.1.22
Ver.1.2 Ver.1.30
Ver.1.3 Ver.1.40
NX-TC3407 Ver.1.0 Ver.1.21
Ver.1.1 Ver.1.22
Ver.1.2 Ver.1.30
Ver.1.3 Ver.1.40
NX-TC3408 Ver.1.0 Ver.1.21
Ver.1.1 Ver.1.22
Ver.1.2 Ver.1.30
Ver.1.3 Ver.1.40

*1. Some Units do not have all of the versions given in the above table. If a Unit does not have the specified version,
      support is provided by the oldest available version after the specified version. Refer to the user's manuals for the
      specific Units for the relation between models and versions.

Connected to a Communications EtherCAT Coupler Unit

NX Unit Corresponding version *1
Model Unit Version EtherCAT Coupler Unit CPU Unit or Industrial PC Sysmac Studio
NX-TC2405 Ver.1.0 Ver.1.0 *2 Ver. 1.05 Ver.1.21
Ver.1.1 Ver.1.22
Ver.1.2 Ver.1.30
Ver.1.3 Ver.1.40
NX-TC2406 Ver.1.0 Ver.1.21
Ver.1.1 Ver.1.22
Ver.1.2 Ver.1.30
Ver.1.3 Ver.1.40
NX-TC2407 Ver.1.0 Ver.1.21
Ver.1.1 Ver.1.22
Ver.1.2 Ver.1.30
Ver.1.3 Ver.1.40
NX-TC2408 Ver.1.0 Ver.1.21
Ver.1.1 Ver.1.22
Ver.1.2 Ver.1.30
Ver.1.3 Ver.1.40
NX-TC3405 Ver.1.0 Ver.1.21
Ver.1.1 Ver.1.22
Ver.1.2 Ver.1.30
Ver.1.3 Ver.1.40
NX-TC3406 Ver.1.0 Ver.1.21
Ver.1.1 Ver.1.22
Ver.1.2 Ver.1.30
Ver.1.3 Ver.1.40
NX-TC3407 Ver.1.0 Ver.1.21
Ver.1.1 Ver.1.22
Ver.1.2 Ver.1.30
Ver.1.3 Ver.1.40
NX-TC3408 Ver.1.0 Ver.1.21
Ver.1.1 Ver.1.22
Ver.1.2 Ver.1.30
Ver.1.3 Ver.1.40

*1. Some Units do not have all of the versions given in the above table. If a Unit does not have the specified version,
      support is provided by the oldest available version after the specified version. Refer to the User’s manuals for the
      specific Units for the relation between models and versions.
*2. When you connect the Unit to a master of other manufacturer, use an EtherCAT Coupler Unit with Unit version 1.5 or later.

Connected to a Communications EtherNet/IP Coupler Unit

NX Unit Corresponding version*1
Model Unit
Version
Application with an NJ/NX/NY-series
Controller *2
Application with an CS/CJ/CP-series
PLC *3
EtherNet/IP
Coupler Unit
CPU Unit or
Industrial PC
Sysmac
Studio
EtherNet/IP
Coupler Unit
Sysmac
Studio
NX-IO
Configurator
NX-TC2405 Ver.1.0 Ver.1.2 Ver.1.14 Ver.1.21 Ver. 1.2 Ver.1.21 Ver.1.21
Ver.1.1 Ver.1.22 Ver.1.22 Ver.1.22
Ver.1.2 Ver.1.30 Ver.1.30 Ver.1.21
Ver.1.3 Ver.1.40 Ver.1.40 Ver.1.22
NX-TC2406 Ver.1.0 Ver.1.21 Ver.1.21 Ver.1.21
Ver.1.1 Ver.1.22 Ver.1.22 Ver.1.22
Ver.1.2 Ver.1.30 Ver.1.30 Ver.1.21
Ver.1.3 Ver.1.40 Ver.1.40 Ver.1.22
NX-TC2407 Ver.1.0 Ver.1.21 Ver.1.21 Ver.1.21
Ver.1.1 Ver.1.22 Ver.1.22 Ver.1.22
Ver.1.2 Ver.1.30 Ver.1.30 Ver.1.21
Ver.1.3 Ver.1.40 Ver.1.40 Ver.1.22
NX-TC2408 Ver.1.0 Ver.1.21 Ver.1.21 Ver.1.21
Ver.1.1 Ver.1.22 Ver.1.22 Ver.1.22
Ver.1.2 Ver.1.30 Ver.1.30 Ver.1.21
Ver.1.3 Ver.1.40 Ver.1.40 Ver.1.22
NX-TC3405 Ver.1.0 Ver.1.21 Ver.1.21 Ver.1.21
Ver.1.1 Ver.1.22 Ver.1.22 Ver.1.22
Ver.1.2 Ver.1.30 Ver.1.30 Ver.1.21
Ver.1.3 Ver.1.40 Ver.1.40 Ver.1.22
NX-TC3406 Ver.1.0 Ver.1.21 Ver.1.21 Ver.1.21
Ver.1.1 Ver.1.22 Ver.1.22 Ver.1.22
Ver.1.2 Ver.1.30 Ver.1.30 Ver.1.21
Ver.1.3 Ver.1.40 Ver.1.40 Ver.1.22
NX-TC3407 Ver.1.0 Ver.1.21 Ver.1.21 Ver.1.21
Ver.1.1 Ver.1.22 Ver.1.22 Ver.1.22
Ver.1.2 Ver.1.30 Ver.1.30 Ver.1.21
Ver.1.3 Ver.1.40 Ver.1.40 Ver.1.22
NX-TC3408 Ver.1.0 Ver.1.21 Ver.1.21 Ver.1.21
Ver.1.1 Ver.1.22 Ver.1.22 Ver.1.22
Ver.1.2 Ver.1.30 Ver.1.30 Ver.1.21
Ver.1.3 Ver.1.40 Ver.1.40 Ver.1.22

*1. Some Units do not have all of the versions given in the above table. If a Unit does not have the specified version,
      support is provided by the oldest available version after the specified version. Refer to the user's manuals for the
      specific Units for the relation between models and versions.
*2. Refer to the user's manual of the EtherNet/IP Coupler Unit for the Unit versions of EtherNet/IP Units corresponding to
     EtherNet/IP Coupler Units.
*3. Refer to the user's manual of the EtherNet/IP Coupler Unit for the Unit versions of CPU Units and EtherNet/IP Units
      corresponding to EtherNet/IP Coupler Units.