Enclosed Switch
last update: November 13, 2023
(Unit: mm)
Models without LED indicators are shown in the illustrations and dimensions diagrams. Refer to below for Models with LED Indicators.
The boxes in the model numbers are replaced with the rating and cable type. Refer to Data Sheet for the Model Number Structure.
Pin Plunger
D4C-[][]01
Roller Plunger
D4C-[][]02
Crossroller Plunger
D4C-[][]03
Roller Lever
D4C-[][]20
D4C-[][]20-P
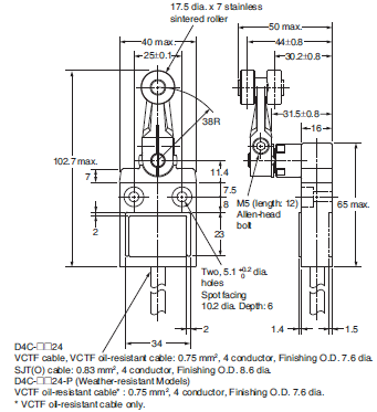
Roller Lever (High-Sensitivity Model)
D4C-[][]24
D4C-[][]24-P
Note: Unless otherwise specified, a tolerance of ±0.4 mm applies to all dimensions.
Sealed Plunger
D4C-[][]31
Sealed Roller Plunger
D4C-[][]32
Sealed Crossroller Plunger
D4C-[][]33
Note: Unless otherwise specified, a tolerance of ±0.4 mm applies to all dimensions.
* The TT is a reference value.
Plastic rod
D4C-[][]50
Center Roller Lever Plunger
D4C-[][]60
Note: Unless otherwise specified, a tolerance of ±0.4 mm applies to all dimensions.
The dimensions of the LED indicator for models equipped with one are shown below.
Pin Plunger
D4C-[]001-[]K1EJ[]
D4C-[]001-M1J[]
Roller Plunger
D4C-[]002-[]K1EJ[]
D4C-[]002-M1J[]
Note: Unless otherwise specified, a tolerance of ±0.4 mm applies to all dimensions.
Note: Specifications are the same for -M1J Switches.
Sealed Pin Plunger
D4C-[]031-[]K1EJ[]
D4C-[]031-M1J[]
Sealed Roller Plunger
D4C-[]032-[]K1EJ[]
D4C-[]032-M1J[]
Note: Unless otherwise specified, a tolerance of ±0.4 mm applies to all dimensions.
Note: Specifications are the same for -M1J Switches
Roller Lever (High-sensitivity Model)
D4C-[]024-[]K1EJ[]
D4C-[]024-M1J[]
Note: Unless otherwise specified, a tolerance of ±0.4 mm applies to all dimensions.
Note: Specifications are the same for -M1J Switches
Adjustable Roller Lever
D4C-[][]27-P
Adjustable Rod Lever
D4C-[][]29-P
Note: Unless otherwise specified, a tolerance of ±0.4 mm applies to all dimensions.
* Operation characteristics for the D4C-[][]27-P and D4C-[][]29-P are for a lever length of 38 mm.
last update: November 13, 2023