Page top

Industrial Automation

Industrial Automation

Discontinued On Mar. 2016

E4B

Ultrasonic Proximity Sensor

E4B

Capable of Setting the Sensing Range Using an Ultrasonic Beam

* Information in this page is a reference that you created on the basis of information in the product catalog before the end of production, may be different from the current situation, such as goods for / supported standards options / price / features of the product. Before using, please check the compatibility and safety system.

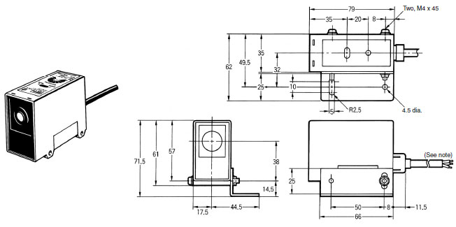
(Unit: mm)

E4B-TS50
E4B-T1
E4B-LS20
E4B-LS70
E4B-RS70

E4B Dimensions 1

Note: Vinyl-insulated round cord with three conductors, 6 dia.; standard length: 2 m