Page top

Industrial Automation

Industrial Automation

E3Z

Compact Photoelectric Sensor with Built-in Amplifier

E3Z

The Standard for Photoelectric Sensors with a Secure Track Record of One Million Sold Yearly.

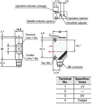
(Unit: mm)

Tolerance class IT16 applies to dimensions in this data sheet unless otherwise specified.

Sensors

Through-beam*

Pre-wired Models
E3Z-T61(K), E3Z-T81(K)
E3Z-T61A, E3Z-T81A
E3Z-T62, E3Z-T82

E3Z Dimensions 3

Connector Models
E3Z-T66, E3Z-T86
E3Z-T66A, E3Z-T86A
E3Z-T67, E3Z-T87

E3Z Dimensions 4

* Models numbers for Through-beam Sensors (E3Z-T[][]) are for sets that include both the Emitter and Receiver.
   The model number of the Emitter is expressed by adding "-L" to the set model number (example: E3Z-T61-L 2M), the
   model number of the Receiver, by adding "-D" (example: E3Z-T61-D 2M.) Refer to Lineup to confirm model numbers
   for Emitter and Receivers.

Retro-reflective Models

Pre-wired Models
E3Z-R61(K), E3Z-B61
E3Z-R81(K), E3Z-B81
E3Z-D61(K), E3Z-B62
E3Z-D81(K), E3Z-B82
E3Z-D62(K), E3Z-L63
E3Z-D82(K), E3Z-L83
E3Z-L61, E3Z-L81

E3Z Dimensions 6

Connector Models
E3Z-R66, E3Z-B66
E3Z-R86, E3Z-B86
E3Z-D66, E3Z-B67
E3Z-D86, E3Z-B87
E3Z-D67, E3Z-L68
E3Z-D87, E3Z-L88
E3Z-L66, E3Z-L86

E3Z Dimensions 7

Note: The lens for the E3Z-D[]1/D[]6/L[][]/B[][] is red. The lens for the E3Z-D[]2/D[]7 is black.

Accessories (Order Separately)

Slits

E39-S65A, E39-S65B, E39-S65C

E3Z Dimensions 9

E39-S65D, E39-S65E, E39-S65F

E3Z Dimensions 10

E39-L44

E3Z Dimensions 11

E39-L104

E3Z Dimensions 12