Page top

Industrial Automation

Industrial Automation

TM S Series

OMRON Collaborative Robot

TM S Series

S Series Collaborative Robot (Cobot) HW 5.03 for assembly, palletizing, inspection, logistics and other applications

(Unit: mm)

TM5S/TM5S-X */TM5S-M/TM5S-MX *

TM S Series Dimensions 1

TM6S/TM6S-X */TM6S-M/TM6S-MX *

TM S Series Dimensions 2

* Dimensions do not include the camera. Refer to the Camera Dimensions for more information.

TM7S/TM7S-X */TM7S-M/TM7S-MX *

TM S Series Dimensions 4

TM12S/TM12S-X */TM12S-M/TM12S-MX *

TM S Series Dimensions 5

* Dimensions do not include the camera. Refer to the Camera Dimensions for more information.

TM14S/TM14S-X */TM14S-M/TM14S-MX *

TM S Series Dimensions 7

TM20S/TM20S-X *

TM S Series Dimensions 8

* Dimensions do not include the camera. Refer to the Camera Dimensions for more information.

TM25S/TM25S-X */TM25S-M/TM25S-MX *

TM S Series Dimensions 10

TM30S/TM30S-X */TM30S-M/TM30S-MX *

TM S Series Dimensions 11

* Dimensions do not include the camera. Refer to the Camera Dimensions for more information.

Footprint (TM5S/7S Models)

TM S Series Dimensions 13

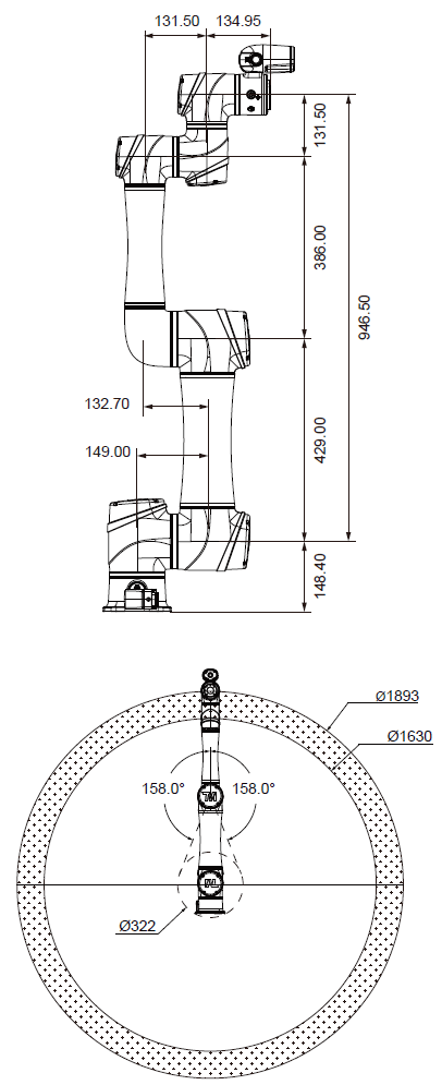
Footprint (TM6S/12S/14S/20S Models)

TM S Series Dimensions 14

Footprint (TM25S/30S Models)

TM S Series Dimensions 15

TM5S/6S/7S/12S/14S/20S Control Box (AC)

TM S Series Dimensions 16

TM5S/6S/7S/12S/14S Control Box (DC)

TM S Series Dimensions 17

TM5S/7S/12S/14S Control Box (DC SEMI)

TM S Series Dimensions 18

TM25S/30S Control Box (AC)

TM S Series Dimensions 19

TM25S/30S Control Box (DC)

TM S Series Dimensions 20

Tool Flange

TM S Series Dimensions 21

Tool Flange with Integrated Force/Torque Sensor (TM25S/TM30S Models)

TM S Series Dimensions 22