I/O Relay Terminal
last update: November 18, 2024
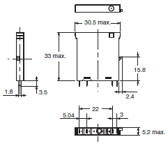
(Unit: mm)
G70V-SID16P
G70V-SID16P-1
G70V-ZID16P
G70V-ZID16P-1
G70V-SID16P-C16
G70V-SID16P-1-C16
G70V-ZID16P-C16
G70V-ZID16P-1-C16
G70V-SOC16P
G70V-SOC16P-1
G70V-ZOM16P
G70V-ZOM16P-1
G70V-SOC16P-C4
G70V-SOC16P-1-C4
G70V-ZOM16P-C4
G70V-ZOM16P-1-C4
G70V-ZOM16P-C4-D
G70V-ZOM16P-1-C4-D
Models without latching lever
G2RV-1-S-G
G2RV-1-S-AP-G
Models with latching lever (test switch)
G2RV-1-SI-G
G3RV-D03SL
G3RV-202S
G3RV-202SL
PFP-100N
PFP-50N
PFP-M
PFP-S
last update: November 18, 2024