Page top

Industrial Automation

Industrial Automation

H3YN-[]-B

Solid-state Timer

H3YN-[]-B

Our Value Design Products Increase the Value of Your Control Panels. Miniature Timer with Multiple Time Ranges and Multiple Operating Modes.

(Unit: mm)

Timers

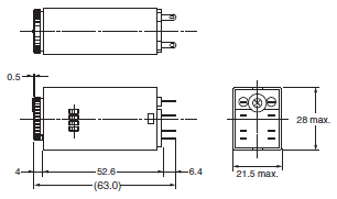
H3YN-2-B/-21-B Front Mounting

H3YN-[]-B Dimensions 2

H3YN-4-B/-41-B Front Mounting , H3YN-4-Z-B/-41-Z-B

H3YN-[]-B Dimensions 3

Mounting Height

H3YN-[]-B Dimensions 4

Note: 1. The are no restrictions to the mounting direction.
         2. Always use the PYF-[]-PU-L with the H3Y-[]-B or H3YN-[]-B.
*2. Models in parentheses are Connecting Sockets to the H3Y-4-B, H3YN-4-B/-41-B, or H3YN-4-Z-B/-41-Z-B.
*3. These values apply when the PFP-[]N is used.
      Add 9 mm if you use the PFP-[]N2.

Accessories (Order Separately)

Relay Hold-down Clips

H3Y-[]-B/H3YN-[]-B Series for PYF-[]-PU-L Socket
Y92H-3
(Set of Two Clips)

H3YN-[]-B Dimensions 6

H3Y-[]-B/H3YN-[]-B Series Front Connecting Sockets

PYF-08-PU-L

H3YN-[]-B Dimensions 8

PYF-14-PU-L

H3YN-[]-B Dimensions 9

Mounting Track

PFP-100N/PFP-50N (see note 1)

H3YN-[]-B Dimensions 10

Note: 1. Meets DIN EN50022
           2. This dimension applies to PFP-50N.

End Plate

PFP-M

H3YN-[]-B Dimensions 12

Spacer

PFP-S

H3YN-[]-B Dimensions 13