Page top

Industrial Automation

Industrial Automation

NA Series

Programmable Terminal

NA Series

The Omron Sysmac HMI enables faster, more efficient control and monitoring - and a more natural, proactive relationship between operator and machine. Wide screen models: 7, 9, 12 and 15 inches

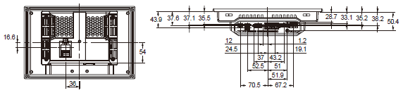
(Unit: mm)

NA5-15W101S-V1/-15W101B-V1

NA Series Dimensions 1

Cable Connection Dimensions

NA Series Dimensions 2

NA5-12W101S-V1/-12W101B-V1

NA Series Dimensions 3

Cable Connection Dimensions

NA Series Dimensions 4

NA5-9W001S-V1/-9W001B-V1

NA Series Dimensions 5

Cable Connection Dimensions

NA Series Dimensions 6

NA5-7W001S-V1/-7W001B-V1

NA Series Dimensions 7

Cable Connection Dimensions

NA Series Dimensions 8