Page top

Industrial Automation

Industrial Automation

WL-N / WLG

Two-circuit Limit Switch

WL-N / WLG

Two-circuit limit switches that can be selected to match the operating environment and application WL-N/Basic models, WLG/High-sensitivity and High-precision models

(Unit: mm)

Note: Unless otherwise indicated, a tolerance of ±0.4 mm applies to all dimensions.

General-purpose Switches

Roller Lever

Screw terminals

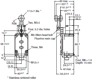
Roller lever R38
WLCA2(-55)-N
WLCA2-2(55)-N
WLCA2-2N(55)-N

WL-N / WLG Dimensions 5

Roller lever R38 With operation indicator
LED
WLCA2-(55)LD-N
WLCA2-2(55)LD-N
WLCA2-2N(55)LD-N
Neon lamp
WLCA2-(55)LE-N
WLCA2-2(55)LE-N
WLCA2-2N(55)LE-N

WL-N / WLG Dimensions 6

Roller lever R38
WLG2(-55)
WLGCA2(-55)

WL-N / WLG Dimensions 7

Roller lever R38 With operation indicator
LED
WLG2-(55)LD
WLGCA2-(55)LD
Neon lamp
WLG2-(55)LE
WLGCA2-(55)LE

WL-N / WLG Dimensions 8

Operating characteristics

WL-N / WLG Dimensions 9

Roller lever R50
WLCA2-7-N

WL-N / WLG Dimensions 10

Roller lever R50 With operation indicator
LED
WLCA2-7LD-N
Neon lamp
WLCA2-7LE-N

WL-N / WLG Dimensions 11

Roller lever R63
WLCA2-8-N

WL-N / WLG Dimensions 12

Roller lever R63 With operation indicator
LED
WLCA2-8LD-N
Neon lamp
WLCA2-8LE-N

WL-N / WLG Dimensions 13
WL-N / WLG Dimensions 14

Adjustable Roller Lever (R25 to 89 mm)
WLCA12(-55)-N
WLCA12-2-N
WLCA12-2N-N

WL-N / WLG Dimensions 15

Adjustable Roller Lever (R25 to 89 mm) With operation indicator
LED
WLCA12-(55)LD-N
WLCA12-2LD-N
WLCA12-2NLD-N
Neon lamp
WLCA12-(55)LE-N
WLCA12-2LE-N
WLCA12-2NLE-N

WL-N / WLG Dimensions 16

Adjustable Roller Lever (R25 to 89 mm)
WLG12

WL-N / WLG Dimensions 17

Adjustable Roller Lever (R25 to 89 mm) With operation indicator
LED
WLG12-LD
Neon lamp
WLG12-LE

WL-N / WLG Dimensions 18

Operating characteristics

WL-N / WLG Dimensions 19

Direct-wire connector

Roller lever R38 With operation indicator
LED
WLCA2-LDK13A-N
WLCA2-(55)LDK13-N
WLCA2-LDK43A-N
WLCA2-(55)LDK43-N

WL-N / WLG Dimensions 21

Roller lever R38 With operation indicator
LED
WLG2-(55)LDK13
WLG2-(55)LDK43
WLGCA2-(55)LDK13
WLGCA2-(55)LDK43

WL-N / WLG Dimensions 22

Operating characteristics

WL-N / WLG Dimensions 23

Pre-wired connectors

Roller lever R38 With operation indicator
LED
Threaded (M12)
WLCA2-(55)LD-M1J-N
WLCA2-(55)LD-M1GJ-N
WLCA2-(55)LD-DGJ-N
WLCA2-(55)LD-DK1EJ-N
Smartclick
WLCA2(55)LD-DTGJ-N
WLCA2-LD-DTK1EJ-N

WL-N / WLG Dimensions 25

Roller lever R38 With operation indicator
LED
Threaded (M12)
WLG2-(55)LD-M1J
WLG2-(55)LD-M1GJ
WLG2-(55)LD-M1JB
WLG2-(55)LD-DGJ03
WLG2-(55)LD-DK1EJ03
Smartclick
WLG2-(55)LD-M1TJ
WLG2-(55)LD-M1TGJ
WLG2-(55)LD-M1TJB
WLG2-(55)LD-DTGJ03
WLG2-(55)LD-DTK1EJ03

WL-N / WLG Dimensions 26

Operating characteristics

WL-N / WLG Dimensions 27

Plunger Actuators

Screw terminals

Sealed top-roller plunger
WLD28(-55)-N

WL-N / WLG Dimensions 30

Sealed top-roller plunger With operation indicator
LED
WLD28-(55)LD-N
Neon lamp
WLD28-(55)LE-N

WL-N / WLG Dimensions 31

Top-roller plunger
WLD2(-55)-N

WL-N / WLG Dimensions 32

Sealed top-roller plunger With operation indicator
LED
WLD2-(55)LD-N
Neon lamp
WLD2-(55)LE-N

WL-N / WLG Dimensions 33

Sealed top plunger
WLD18-N

WL-N / WLG Dimensions 34

Sealed top-roller plunger With operation indicator
LED
WLD18-LD-N
Neon lamp
WLD18-LE-N

WL-N / WLG Dimensions 35

Sealed top-ball plunger
WLD38-N

WL-N / WLG Dimensions 36

Sealed top-ball plunger With operation indicator
LED
WLD38-LD-N
Neon lamp
WLD38-LE-N

WL-N / WLG Dimensions 37

Operating characteristics

WL-N / WLG Dimensions 38

Horizontal plunger
WLSD(-55)-N

WL-N / WLG Dimensions 39

Horizontal plunger With operation indicator
LED
WLSD-(55)LD-N
Neon lamp
WLSD-LE-N

WL-N / WLG Dimensions 40

Horizontal-roller plunger
WLSD2(-55)-N

WL-N / WLG Dimensions 41

Horizontal-roller plunger With operation indicator
LED
WLSD2-(55)LD-N
Neon lamp
WLSD2-LE-N

WL-N / WLG Dimensions 42

Horizontal-ball plunger
WLSD3-N

WL-N / WLG Dimensions 43

Horizontal-ball plunger With operation indicator
LED
WLSD3-LD-N
Neon lamp
WLSD3-LE-N

WL-N / WLG Dimensions 44

Operating characteristics

WL-N / WLG Dimensions 45

Direct-wire connector

Sealed top-roller plunger With operation indicator
LED
WLD28-(55)LDK13-N
WLD28-(55)LDK43-N

WL-N / WLG Dimensions 47

Pre-wired connectors

Sealed top-roller plunger With operation indicator
Threaded (M12)
LED
WLD28-(55)LD-M1J-N
WLD28-(55)LD-M1GJ-N
WLD28-(55)LD-DGJ-N

WL-N / WLG Dimensions 48

Operating characteristics

WL-N / WLG Dimensions 49

Flexible Rod

Screw terminals

Adjustable rod lever (25 to 140 mm)
WLCL(-55)-N
WLCL-2-N
WLCL-2N-N

WL-N / WLG Dimensions 52

Adjustable rod lever (25 to 140 mm) With operation indicator
LED
WLCL-(55)LD-N
WLCL-2LD-N
WLCL-2NLD-N
Neon lamp
WLCL-LE-N
WLCL-2LE-N
WLCL-2NLE-N

WL-N / WLG Dimensions 53

Adjustable rod lever (25 to 140 mm)
WLGL

WL-N / WLG Dimensions 54

Adjustable Roller Lever (25 to 140 mm) With operation indicator
LED
WLGL-LD
Neon lamp
WLGL-LE

WL-N / WLG Dimensions 55

Operating characteristics

WL-N / WLG Dimensions 56

Adjustable rod lever (350 to 380 mm)
WLCAL4-N

WL-N / WLG Dimensions 57

Adjustable Roller Lever (350 to 380 mm) With operation indicator
LED
WLCAL4-LD-N
Neon lamp
WLCAL4-LE-N

WL-N / WLG Dimensions 58

Operating characteristics

WL-N / WLG Dimensions 59

Note: With WLCAL4-N, WLCAL4-LD-N and WLCAL4-LE-N the actuator's tare is large, so depending on the installation
         direction, they may not be properly reset. Always install so that the actuator is facing downwards.
* This is the value when the rod length is 380 mm.

Rod spring lever
WLCAL5-N

WL-N / WLG Dimensions 60

Rod spring lever With operation indicator
LED
WLCAL5-LD-N
Neon lamp
WLCAL5-LE-N

WL-N / WLG Dimensions 61
WL-N / WLG Dimensions 62

Note: With WLCAL5-N, WLCAL5-LD-N, and WLCAL5-LE-N, the actuator's tare is large, so depending on the installation
         direction, they may not be properly reset. Always install so that the actuator is facing downwards.
* This is the value when the rod length is 380 mm.

Coil spring
WLNJ(-55)-N

WL-N / WLG Dimensions 63

Coil spring With operation indicator
LED
WLNJ-(55)LD-N
Neon lamp
WLNJ-LE-N

WL-N / WLG Dimensions 64

Coil Spring (Multi-wire)
WLNJ-30-N

WL-N / WLG Dimensions 65

Coil Spring (Multi-wire) With operation indicator
LED
WLNJ-30LD-N
Neon lamp
WLNJ-30LE-N

WL-N / WLG Dimensions 66

Operating characteristics

WL-N / WLG Dimensions 67

Resin rod
WLNJ-2(55)-N

WL-N / WLG Dimensions 68

Resin rod With operation indicator
LED
WLNJ-2(55)LD-N
Neon lamp
WLNJ-2LE-N

WL-N / WLG Dimensions 69

Steel wire
WLNJ-S2-N

WL-N / WLG Dimensions 70

Steel wire With operation indicator
LED
WLNJ-S2LD-N
Neon lamp
WLNJ-S2LE-N

WL-N / WLG Dimensions 71

Operating characteristics

WL-N / WLG Dimensions 72

Fork Lock Lever

Screw terminals

WLCA32-41-N
WLCA32-42-N
WLCA32-43-N
WLCA32-44-N

WL-N / WLG Dimensions 75

With operation indicator
LED
WLCA32-41LD-N
WLCA32-43LD-N
Neon lamp
WLCA32-41LE-N
WLCA32-42LE-N
WLCA32-43LE-N

WL-N / WLG Dimensions 76

Operating characteristics

WL-N / WLG Dimensions 77

Environment-resistant Limit Switches

Roller Lever

Screw terminals

Roller lever R38
Heat-resistant type
WLCA2-TH-N
WLCA2-2TH-N
WLCA2-2NTH-N
Cold-resistant type
WLCA2-TC-N
WLCA2-2TC-N
WLCA2-2NTC-N
Corrosion-resistant type
WLCA2-RP-N
Weather-resistant type
WLCA2-P1-N

WL-N / WLG Dimensions 81

Roller lever R38
Heat-resistant type
WLG2-TH
WLGCA2-TH
Cold-resistant type
WLG2-TC
WLGCA2-TC
Corrosion-resistant type
WLG2-RP
WLGCA2-RP
Weather-resistant type
WLG2-P1

WL-N / WLG Dimensions 82

Operating characteristics

WL-N / WLG Dimensions 83

Direct-wire cable

Roller lever R38
Coolant-resistant type
WLCA2-RP60-N
WLCA2-2RP60-N
Molded terminal-139
WLCA2-139-N
WLCA2-2139-N
WLCA2-2N139-N

WL-N / WLG Dimensions 85

Roller lever R38 With operation indicator
Coolant-resistant specifications
WLCA2-RP60LD2-N
WLCA2-RP60LD3-N
WLCA2-2RP60LD2-N
WLCA2-2RP60LD3-N
Molded terminal -139
WLCA2-139LD2-N
WLCA2-139LD3-N
WLCA2-2139LD2-N
WLCA2-2139LD3-N

WL-N / WLG Dimensions 86

Roller lever R38
Molded terminal-140
WLCA2-140-N
WLCA2-2N140-N
Molded terminal-141
WLCA2-141-N

WL-N / WLG Dimensions 87

Roller lever R38 With operation indicator
Molded terminal -141
WLCA2-141LD2-N
WLCA2-141LD3-N

WL-N / WLG Dimensions 88

Operating characteristics

WL-N / WLG Dimensions 89

Roller lever R38
Coolant-resistant type
WLG2-RP60
Molded terminal -139
WLG2-139

WL-N / WLG Dimensions 90

Roller lever R38 With operation indicator
Coolant-resistant specifications
WLG2-RP60LD2
WLG2-RP60LD3
WLGCA2-RP60LD2
WLGCA2-RP60LD3
Molded terminal -139
WLG2-139LD3

WL-N / WLG Dimensions 91

Roller lever R38
Molded terminal -140
WLG2-140
Molded terminal -141
WLG2-141

WL-N / WLG Dimensions 92

Roller lever R38 With operation indicator
Molded terminal -140
WLG2-140LD2
WLG2-140LD3
Molded terminal -141
WLG2-141LD2
WLG2-141LD3
WLGCA2-141LD3

WL-N / WLG Dimensions 93

Operating characteristics

WL-N / WLG Dimensions 94

Screw terminals

Adjustable Roller Lever (R25 to 89 mm)
Heat-resistant type
WLCA12-TH-N
WLCA12-2TH-N
WLCA12-2NTH-N
Cold-resistant type
WLCA12-TC-N
WLCA12-2TC-N
WLCA12-2NTC-N
Weather-resistant type
WLCA12-P1-N
Corrosion-resistant type
WLCA12-RP-N

WL-N / WLG Dimensions 96

Adjustable Roller Lever (R25 to 89 mm)
Heat-resistant type
WLG12-TH
Cold-resistant type
WLG12-TC
Weather-resistant type
WLG12-P1
Corrosion-resistant type
WLG12-RP

WL-N / WLG Dimensions 97

Operating characteristics

WL-N / WLG Dimensions 98

Direct-wire cable

Adjustable Roller Lever (R25 to 89 mm)
Coolant-resistant specifications
WLCA12-RP60-N
Molded terminal -139
WLCA12-139-N

WL-N / WLG Dimensions 100

Adjustable Roller Lever (R25 to 89 mm)
Molded terminal -140
WLCA12-140-N
Molded terminal -141
WLCA12-141-N

WL-N / WLG Dimensions 101

Operating characteristics

WL-N / WLG Dimensions 102

Note: The operating characteristics are measured at the lever length of 38 mm.

Plunger Actuators

Screw terminals

Sealed top-roller plunger
Heat-resistant specifications
WLD28-TH-N
Cold-resistant specifications
WLD28-TC-N
Corrosion-resistant specifications
WLD28-RP-N

WL-N / WLG Dimensions 105

Top-roller plunger
Heat-resistant specifications
WLD2-TH-N

WL-N / WLG Dimensions 106

Horizontal plunger
Heat-resistant specifications
WLSD-TH-N
Cold-resistant specifications
WLSD-TC-N
Corrosion-resistant specifications
WLSD-RP-N

WL-N / WLG Dimensions 107

Horizontal-roller plunger
Heat-resistant specifications
WLSD2-TH-N
Cold-resistant specifications
WLSD2-TC-N
Corrosion-resistant specifications
WLSD2-RP-N

WL-N / WLG Dimensions 108

Operating characteristics

WL-N / WLG Dimensions 109

Direct-wire cable

Sealed top-roller plunger
Coolant-resistant specifications
WLD28-RP60-N
Molded terminal -139
WLD28-139-N

WL-N / WLG Dimensions 111

Sealed top-roller plunger
Molded terminal -140
WLD28-140-N

WL-N / WLG Dimensions 112

Top-roller plunger
Coolant-resistant specifications
WLD2-RP60-N

WL-N / WLG Dimensions 113

Horizontal plunger
Molded terminal -139
WLSD-139-N

WL-N / WLG Dimensions 114

Horizontal-roller plunger
Coolant-resistant specifications
WLSD2-RP60-N
Molded terminal -139
WLSD2-139-N

WL-N / WLG Dimensions 115

Horizontal-roller plunger
Molded terminal -140
WLSD2-140-N

WL-N / WLG Dimensions 116

Operating characteristics

WL-N / WLG Dimensions 117

Flexible Rod

Screw terminals

Coil spring
Heat-resistant specifications
WLNJ-TH-N
Cold-resistant specifications
WLNJ-TC-N
Corrosion-resistant
specifications
WLNJ-RP-N

WL-N / WLG Dimensions 120

Resin rod
Corrosion-resistant specifications
WLNJ-2RP-N

WL-N / WLG Dimensions 121

Operating characteristics

WL-N / WLG Dimensions 122

Direct-wire cable

Coil spring
Coolant-resistant specifications
WLNJ-RP60-N
Molded terminal -139
WLNJ-139-N

WL-N / WLG Dimensions 124

Coil spring
Molded terminal -140
WLNJ-140-N

WL-N / WLG Dimensions 125

Resin rod
Coolant-resistant specifications
WLNJ-2RP60-N
Molded terminal -139
WLNJ-2139-N

WL-N / WLG Dimensions 126

Resin rod
Molded terminal - 140
WLNJ-2140-N

WL-N / WLG Dimensions 127

Operating characteristics

WL-N / WLG Dimensions 128

Spatter-prevention Switches

Roller Lever

Roller lever R38
Allen-head lever
With operation indicator (LED)
WLCA2-LDS-N
With operation indicator (neon lamp)
WLCA2-LES-N

WL-N / WLG Dimensions 131

Roller lever R38
Allen-head lever
With operation indicator (LED)
WLG2-LDS
WLGCA2-LDS
With operation indicator (neon lamp)
WLG2-LES
WLGCA2-LES

WL-N / WLG Dimensions 132

Roller lever R38
Double nut lever
With operation indicator (LED)
WLCA2-LDAS-N
With operation indicator (neon lamp)
WLCA2-LEAS-N

WL-N / WLG Dimensions 133

Roller lever R38
Double nut lever
With operation indicator (LED)
WLG2-LDAS
With operation indicator (neon lamp)
WLG2-LEAS

WL-N / WLG Dimensions 134

Operating characteristics

WL-N / WLG Dimensions 135

Pre-wired connector (threaded)

Roller lever R38
Allen-head lever
With operation indicator (LED)
WLCA2-LDS-M1J-1-N
WLCA2-LDS-DGJS-N

WL-N / WLG Dimensions 137

Roller lever R38
Allen-head lever
Threaded (M12)
With operation indicator (LED)
WLG2-LDS-DGJS03
WLG2-LDS-DK1EJ03
WLG2-55LDS-M1J-1
WLG2-55LDS-M1GJ-1
WLG2-55LDS-DGJS03
WLG2-LDS-M1J-1
WLG2-LDS-M1GJ-1
WLGCA2-LDS-M1J-1
WLGCA2-LDS-M1GJ-1

WL-N / WLG Dimensions 138

Pre-wired connector type (Smartclick)

Roller lever R38
Allen-head lever
With operation indicator (LED)
WLCA2-LDS-DTGJS-N

WL-N / WLG Dimensions 140

Roller lever R38
Allen-head lever
Smartclick
With operation indicator (LED)
WLG2-LDS-DTGJS03
WLG2-55LDS-M1TGJ

WL-N / WLG Dimensions 141

Operating characteristics

WL-N / WLG Dimensions 142

Sealed top-roller plunger
With operation indicator
LED
WLD28-LDS-N
Neon lamp
WLD28-LES-N

WL-N / WLG Dimensions 143

Sealed top-roller plunger
Threaded (M12)
WLD28-LDS-M1J-1-N
WLD28-LDS-M1GJ-1-N
WLD28-LDS-DGJS-N
Smartclick
WLD28-LDS-DTGJS-N

WL-N / WLG Dimensions 144

Operating characteristics

WL-N / WLG Dimensions 145

Long-life Switches

Roller Lever

Screw terminals

Roller lever R38
With operation indicator (LED)
WLMCA2-LD-N

WL-N / WLG Dimensions 149

Roller lever R38
With operation indicator (LED)
WLMG2-LD

WL-N / WLG Dimensions 150

Roller lever R38
With operation indicator (LED)
WLMGCA2-LD

WL-N / WLG Dimensions 151

Operating characteristics

WL-N / WLG Dimensions 152

Direct-wire connector

Roller lever R38
With operation indicator (LED)
WLMCA2-LDK13A-N
WLMCA2-LDK43A-N
WLMCA2-LDK13-N
WLMCA2-LDK43-N

WL-N / WLG Dimensions 154

Roller lever R38
With operation indicator (LED)
WLMG2-LDK13A
WLMG2-LDK43A
WLMG2-LDK13
WLMG2-LDK43

WL-N / WLG Dimensions 155

Roller lever R38
With operation indicator (LED)
WLMGCA2-LDK13A
WLMGCA2-LDK13
WLMGCA2-LDK43

WL-N / WLG Dimensions 156

Operating characteristics

WL-N / WLG Dimensions 157

Pre-wired connectors

Roller lever R38
With operation indicator (LED)
Threaded (M12)
WLMCA2-LD-M1J-N
WLMCA2-LD-AGJ-N
WLMCA2-LD-DGJ-N
Smartclick
WLMCA2-LD-DTGJ-N

WL-N / WLG Dimensions 159

Roller lever R38
With operation indicator (LED)
Threaded (M12)
WLMG2-LD-M1J
WLMG2-LD-DTGJ03

WL-N / WLG Dimensions 160

Roller lever R38
With operation indicator (LED)
Threaded (M12)
WLMGCA2-LD-M1J

WL-N / WLG Dimensions 161

Operating characteristics

WL-N / WLG Dimensions 162

Common Accessories (Sold Separately)

Operating characteristics

Sensor I/O connectors
XS2F-A421-[][]0-F
XS2F-D421-[]D0
XS2F-D421-[][]0-F

WL-N / WLG Dimensions 164

XS5F-D421-[]80-F

WL-N / WLG Dimensions 165

Terminal Plate
WL-N TERMINAL PLATE

WL-N / WLG Dimensions 166

When attaching the Terminal Plate to the built-in switch terminal, the SPST-NO+NC contact can be converted to an SPDT contact.
For details on use, refer to Terminal Plate on Catalog.

Side mounting plate
WLN-P001

WL-N / WLG Dimensions 168

The Side mounting plate allows the actuator to be installed in the same position as the side mounting of the WL[]-2N series.
For details on use, refer to To customers using the WL[]-2N series model in a side-mounted configuration on Catalog.

SC-2F

WL-N / WLG Dimensions 170

SC-2FAD

WL-N / WLG Dimensions 171

SC-4F4AD

WL-N / WLG Dimensions 172

SC-4F4D

WL-N / WLG Dimensions 173

Note: Figures in parentheses are connector pin numbers.

Actuator

WL-1A100
Standard Lever

WL-N / WLG Dimensions 176

WL-1A115
Resin Roller

WL-N / WLG Dimensions 177

WL-1A400
Bearing Roller

WL-N / WLG Dimensions 178

WL-1A118
Nylon Roller: Roller Width: 30 mm

WL-N / WLG Dimensions 179

WL-1A105
Double Nuts

WL-N / WLG Dimensions 180

WL-1A103S
Spatter Prevention

WL-N / WLG Dimensions 181

WL-105S
Spatter Prevention

WL-N / WLG Dimensions 182

WL-1A200
Lever Length: 50
Roller Width: 15

WL-N / WLG Dimensions 183

WL-1A300
Lever Length: 63

WL-N / WLG Dimensions 184

WL-2A100

WL-N / WLG Dimensions 185

WL-2A111
Resin Roller

WL-N / WLG Dimensions 186

WL-2A107
Double Nuts

WL-N / WLG Dimensions 187

WL-2A108
Resin Roller

WL-N / WLG Dimensions 188

WL-2A122

WL-N / WLG Dimensions 189

WL-2A106

WL-N / WLG Dimensions 190

WL-2A130

WL-N / WLG Dimensions 191

WL-2A104

WL-N / WLG Dimensions 192

WL-2A110

WL-N / WLG Dimensions 193

WL-2A105

WL-N / WLG Dimensions 194

WL-1A106

WL-N / WLG Dimensions 195

WL-1A110

WL-N / WLG Dimensions 196

WL-4A100

WL-N / WLG Dimensions 197

WL-4A201

WL-N / WLG Dimensions 198

WL-3A100

WL-N / WLG Dimensions 199

WL-3A106
Double Nut

WL-N / WLG Dimensions 200

WL-3A108

WL-N / WLG Dimensions 201

WL-3A200

WL-N / WLG Dimensions 202

WL-3A203

WL-N / WLG Dimensions 203

WL-4A112

WL-N / WLG Dimensions 204

WL-2A129

WL-N / WLG Dimensions 205

WL-5A101

WL-N / WLG Dimensions 206

WL-5A103

WL-N / WLG Dimensions 207

WL-5A105

WL-N / WLG Dimensions 208

Note: When using the adjustable roller (rod) lever, make sure that the lever is facing downwards. Use caution, as
         telegraphing (the Switch turns ON and OFF repeatedly due to inertia) may occur.

Connector (Conduit size: JIS B0202G1/2)

SC-1M
SC-2M
SC-3M
SC-4M
SC-5M

WL-N / WLG Dimensions 211

SC-21
SC-22
SC-23
SC-24
SC-25

WL-N / WLG Dimensions 212

SC-6

WL-N / WLG Dimensions 213

SC-P2

WL-N / WLG Dimensions 214

* mark dimensional table

WL-N / WLG Dimensions 215