Page top

Industrial Automation

Industrial Automation

R88L-EC, R88D-KN[]-ECT-L

G5 Series Linear Motor/Servo Drives with built-in EtherCAT Communications Linear Motor Type

R88L-EC, R88D-KN[]-ECT-L

Linear Motor for Higher-speed and Higher-precision

(Unit: mm)

AC Servo Drives

<Wall Mounting>

Single-phase 100 VAC R88D-KN01L-ECT-L (100 W)
Single-phase/Three-phase 200 VAC R88D-KN01H-ECT-L/-KN02H-ECT-L (100 to 200 W)

R88L-EC, R88D-KN[]-ECT-L Dimensions 3

Single-phase 100 VAC R88D-KN02L-ECT-L (200 W)
Single-phase/Three-phase 200 VAC R88D-KN04H-ECT-L (400 W)

R88L-EC, R88D-KN[]-ECT-L Dimensions 4

Single-phase 100 VAC R88D-KN04L-ECT-L (400 W)
Single-phase/Three-phase 200 VAC R88D-KN08H-ECT-L (750 W)

R88L-EC, R88D-KN[]-ECT-L Dimensions 5

Note: R88D-KN[]-ECT-L is the AC Servo Drives with Built-in EtherCAT Communications type.

Single-phase/Three-phase 200 VAC R88D-KN10H-ECT-L/-KN15H-ECT-L (1 kW to 1.5 kW)

R88L-EC, R88D-KN[]-ECT-L Dimensions 6

Three-phase 400 VAC R88D-KN06F-ECT-L/-KN10F-ECT-L (600 W to 1.0 kW)
Three-phase 400 VAC R88D-KN15F-ECT-L (1.5 kW)

R88L-EC, R88D-KN[]-ECT-L Dimensions 7

Three-phase 400 VAC R88D-KN20F-ECT-L (2 kW)

R88L-EC, R88D-KN[]-ECT-L Dimensions 8

Three-phase 400 VAC R88D-KN30F-ECT-L (3 kW)

R88L-EC, R88D-KN[]-ECT-L Dimensions 9

Linear Motor

Iron-core Linear Motors

Motor Coil Unit
• R88L-EC-FW-0303/-0306

R88L-EC, R88D-KN[]-ECT-L Dimensions 12

Magnet Trac

R88L-EC, R88D-KN[]-ECT-L Dimensions 13

Motor Coil Unit
• R88L-EC-FW-0606/-0609/-0612

R88L-EC, R88D-KN[]-ECT-L Dimensions 14

Magnet Trac

R88L-EC, R88D-KN[]-ECT-L Dimensions 15

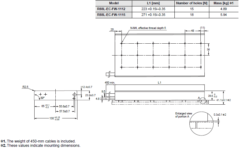
Motor Coil Unit
• R88L-EC-FW-1112/-1115

R88L-EC, R88D-KN[]-ECT-L Dimensions 16

Magnet Trac

R88L-EC, R88D-KN[]-ECT-L Dimensions 17

Ironless Linear Motors

Motor Coil Unit
• R88L-EC-GW-0303/-0306/-0309

R88L-EC, R88D-KN[]-ECT-L Dimensions 19

Magnet Trac

R88L-EC, R88D-KN[]-ECT-L Dimensions 20

Combination diagram

R88L-EC, R88D-KN[]-ECT-L Dimensions 21

Motor Coil Unit
• R88L-EC-GW-0503/-0506/-0509

R88L-EC, R88D-KN[]-ECT-L Dimensions 22

Magnet Trac

R88L-EC, R88D-KN[]-ECT-L Dimensions 23

Combination diagram

R88L-EC, R88D-KN[]-ECT-L Dimensions 24

Motor Coil Unit
• R88L-EC-GW-0703/-0706/-0709

R88L-EC, R88D-KN[]-ECT-L Dimensions 25

Magnet Trac

R88L-EC, R88D-KN[]-ECT-L Dimensions 26

Combination diagram

R88L-EC, R88D-KN[]-ECT-L Dimensions 27