Page top

Industrial Automation

Industrial Automation

Z

General-purpose Basic Switch

Z

Best-selling Basic Switch Boasting High Precision and Wide Variety

(Unit: mm)

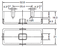
Mounting

Use M4 screws with plane washers and spring washers to mount the Switch. Tighten each mounting screw securely to a torque of 1.18 to 1.47 Nm.

Z Dimensions 1

When mounting the Switch to a panel, use a tightening torque of 2.94 to 4.9 Nm for the hexagonal nuts on the actuator.

Z Dimensions 2

Basic Models (General-purpose) and Split-contact Models

Terminals

Z Dimensions 4

The models, illustrations, and graphics are for screw-terminal models (-B). The "-A" at the end of the model number for solder terminal models has been omitted. For details of the terminals, see above.

Pin Plunger
Z-15G-B, Z-15E-B
Z-15H-B, Z-01H-B
Z-10FY-B

Z Dimensions 6

Slim Spring Plunger
Z-15GS-B, Z-01HS-B
Z-15HS-B, Z-10FSY-B

Z Dimensions 7

Short Spring Plunger
Z-15GD-B, Z-01HD-B
Z-15HD-B, Z-10FDY-B
Z-15ED-B

Z Dimensions 8

Panel Mount Plunger
Z-15GQ-B, Z-01HQ-B
Z-15HQ-B, Z-10FQY-B
Z-15EQ-B, Z-15GQ3-B *
Z-15GQ8-B *

Z Dimensions 9

Note: 1. Do not use the M12 mounting screw and the case mounting hole at the same time, or excessive pulling force will
              be imposed on the switch and the case and cover may be damaged.
           2. On the model Z-15GQ3-B, PT can be set to a value larger than that for the Z-15GQ.
           3. On the model Z-15GQ8-B, operating position can be adjusted by providing a screw in the plunger section.
           4. On the model Z-15GQ8-B, the M3 hole with a depth of 10 mm is a through hole. Take precautions so that no
                water or screw lock agent penetrates into the hole.

Panel Mount Roller Plunger
Z-15GQ22-B, Z-15EQ22-B
Z-15HQ22-B, Z-10FQ22Y-B

Z Dimensions 10

Panel Mount Cross Roller Plunger
Z-15GQ21-B, Z-15EQ21-B
Z-15HQ21-B

Z Dimensions 11

Leaf Spring
Z-15GL-B

Z Dimensions 12

Roller Leaf Spring
Z-15GL2-B

Z Dimensions 13

Short Hinge Lever
Z-15GW21-B

Z Dimensions 14

Hinge Lever
Z-15GW-B, Z-15GW32-B
Z-15HW-B, Z-10FWY-B
Z-15GW3-B (Lever Length: 56R) *

Z Dimensions 15

Low-force Hinge Lever
Z-15GW4-B

Z Dimensions 16

Z-15HW24-B

Z Dimensions 17

Low-force Wire Hinge Lever
Z-15HW78-B (Lever Length: 110R) *

Z Dimensions 18

* The external dimensions of the actuator vary.

Note: AC electrical ratings: 10 A, 125/250 V.

Short Hinge Roller Lever
Z-15GW22-B, Z-01HW22-B
Z-15HW22-B, Z-10FW22Y-B
Z-15EW22-B
Z-15GW2-B *, Z-15HW2-B *
Z-10FW2Y-B *

Z Dimensions 20

Short Hinge Cross Roller Lever
Z-15GW49-B
Z-15GW54-B (Lever Length: 48.7R) *

Z Dimensions 21

Hinge Roller Lever
Z-15GW25-B

Z Dimensions 22

Unidirectional Short Hinge Roller Lever
Z-15GW2277-B

Z Dimensions 23

Reverse Hinge Lever **
Z-15GM-B

Z Dimensions 24

Reverse Short Hinge Roller Lever **
Z-15GM22-B
Z-10FM22Y-B

Z Dimensions 25

Reverse Hinge Roller Lever **
Z-15GM2-B

Z Dimensions 26

** The pin plungers of reverse-type models are continuously pressed by the actuator levers with compression coil
    springs and the pin plungers are freed by operating the levers. Reverse-type models are highly vibration- and shock-
    resistive because the pin plungers are normally pressed.

Basic Models (Drip-proof) without Terminal Protective Cover

Terminals

Without Terminal Protective Cover

Z Dimensions 30

Note: With reverse action models (Z-15GM), the positions of NO and NC terminals are reversed.

The above illustration is for model without terminal protective cover.

Pin Plunger
Z-15G55-B
Z-01H55-B

Z Dimensions 32

Short Spring Plunger
Z-15GD55-B
Z-01HD55-B

Z Dimensions 33

Spring Plunger
Z-15GK55-B

Z Dimensions 34

Z-15GK355-B

Z Dimensions 35

Panel Mount Plunger
Z-15GQ55-B

Z Dimensions 36

Panel Mount Roller Plunger
Z-15GQ2255-B

Z Dimensions 37

Panel Mount Cross Roller Plunger
Z-15GQ2155-B

Z Dimensions 38

Leaf Spring
Z-15GL55-B

Z Dimensions 39

Roller Leaf Spring
Z-15GL255-B

Z Dimensions 40

Short Hinge Lever
Z-15GW2155-B

Z Dimensions 41

Long Hinge Lever
Z-15GW4455-B

Z Dimensions 42

Hinge Lever
Z-15GW55-B

Z Dimensions 43

Short Hinge Roller Lever
Z-15GW2255-B
Z-01HW2255-B

Z Dimensions 44

Hinge Roller Lever
Z-15GW255-B

Z Dimensions 45

Unidirectional Short Hinge Roller Lever
Z-15GW227755-B

Z Dimensions 46

Reverse Hinge Lever *
Z-15GM55-B

Z Dimensions 47

Reverse Short Hinge Roller Lever *
Z-15GM2255-B

Z Dimensions 48

Reverse Hinge Roller Lever *
Z-15GM255-B

Z Dimensions 49

* The pin plungers of reverse-type models are continuously pressed by the actuator levers with compression coil springs
  and the pin plungers are freed by operating the levers.

Flexible Rod (Coil Spring)
Z-15GNJ55-B

Z Dimensions 51

Flexible Rod (Steel Wire)
Z-15HNJS55-B

Z Dimensions 52

Basic Models (Drip-proof) with Terminal Protective Cover

Pin Plunger
Z-15GA55-B5V

Z Dimensions 54

Z-15GK3A55-B5V

Z Dimensions 55

Panel Mount Plunger
Z-15GQA55-B5V

Z Dimensions 56

Panel Mount Roller Plunger
Z-15GQ22A55-B5V

Z Dimensions 57

Panel Mount Cross-roller Plunger
Z-15GQ21A55-B5V

Z Dimensions 58

Long Hinge Lever
Z-15GW44A55-B5V

Z Dimensions 59

Hinge Lever
Z-15GWA55-B5V

Z Dimensions 60

Short Hinge Roller Lever
Z-15GW22A55-B5V

Z Dimensions 61

Hinge Roller Lever
Z-15GW2A55-B5V

Z Dimensions 62

Unidirectional Short Hinge Roller Lever
Z-15GW2277A55-B5V

Z Dimensions 63

Basic Models (Drop-proof) with Modeled terminals

Molded Terminals

L/R Type (The following illustration is the R type.)

Z Dimensions 66

D Type

Z Dimensions 67

Lead Wire Specifications

Z Dimensions 68

Note: 1. No models with molded terminals are approved by UL, CSA, or EN.
           2. Molded terminals are not available on all models. Contact your OMRON representative for applicable products.

Maintained-contact Models

Pin Plunger
Z-15ER

Z Dimensions 70

Slim Spring Plunger
Z-15ESR

Z Dimensions 71

Hinge Lever
Z-15EWR

Z Dimensions 72

Note: Unless otherwise specified, a tolerance of ±0.4 mm applies to all dimensions.

Accessories (Order Separately)

Drip-proof Terminal Cover

AP-DV

Z Dimensions 75

Terminal Covers

AP-A

Soldering Terminal Use (Phenol Resin)

Z Dimensions 78

Note: The Cover has five thin, easy-to-separate portions for easy lead wire connections.

AP-B

Screw Terminal Use (Phenol Resin)

Z Dimensions 80

Note: The Cover has six thin, easy-to-separate portions for easy lead wire connections.

AP1-A

Soldering Terminal Use (Metal Press Mold)

Z Dimensions 82

Note: The Cover has five holes for easy lead wire connections.

AP1-B

Screw Terminal Use (Metal Press Mold)

Z Dimensions 84

Note: The Cover has six holes for easy lead wire connections.

AP-Z

Soldering or Screw Terminal Use (Vinyl Chloride)

Z Dimensions 85

Note: Each dimension has a tolerance of ±0.4 mm unless otherwise specified. (±0.8 mm for the AP-Z)

Separator

SEPARATOR FOR Z

Z Dimensions 88

Note: Each dimension has a tolerance of ±0.4 mm unless otherwise specified.

Actuators

Hinge Lever
XAA-1

Z Dimensions 90

Hinge Roller Lever
ZAA-2

Z Dimensions 91

Short Panel Mount Plunger
ZAQ-3

Z Dimensions 92

Medium Panel Mount Plunger
ZAQ-2

Z Dimensions 93

Long Panel Mount Plunger
ZAQ-1

Z Dimensions 94

Panel Mount Roller Plunger
ZAQ-22

Z Dimensions 95

Note: Each dimension has a tolerance of ±0.4 mm unless otherwise specified.