Page top

Industrial Automation

Industrial Automation

Discontinued On Mar. 2016

3G3JX

Simple, Compact Inverters

3G3JX

Easy-to-use Inverters for simple applications

* Information in this page is a reference that you created on the basis of information in the product catalog before the end of production, may be different from the current situation, such as goods for / supported standards options / price / features of the product. Before using, please check the compatibility and safety system.

(Unit: mm)

Inverter 3G3JX

3G3JX-A2002
3G3JX-A2004
3G3JX-A2007
3G3JX-AE002
3G3JX-AE004

3G3JX Dimensions 2

3G3JX-A4004
3G3JX-AE007

3G3JX Dimensions 3

3G3JX-A2015
3G3JX-A2022
3G3JX-A2037
3G3JX-A4007
3G3JX-A4015
3G3JX-A4022
3G3JX-A4037
3G3JX-AE015
3G3JX-AE022

3G3JX Dimensions 4

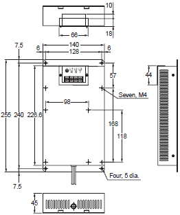
3G3JX-A2055
3G3JX-A2075
3G3JX-A4055
3G3JX-A4075

3G3JX Dimensions 5

Options

Regenerative Braking Unit 3G3AX-RBU[][]

3G3AX-RBU21/-RBU22/-RBU41

3G3JX Dimensions 8

Braking Resistor 3G3AX-RB[][][][][]

3G3AX-RBA

3G3JX Dimensions 10

3G3AX-RBB

3G3JX Dimensions 11

3G3AX-RBC4001

3G3JX Dimensions 12

3G3AX-RBC6001

3G3JX Dimensions 13

3G3AX-RBC12001

3G3JX Dimensions 14

Radio Noise Filter 3G3AX-ZCL[]

3G3AX-ZCL1

3G3JX Dimensions 16

3G3AZ-ZCL2

3G3JX Dimensions 17

Input Noise Filter 3G3AX-NFI[][]

3G3AX-NFI21
3G3AX-NFI22

3G3JX Dimensions 19

3G3AX-NFI23/3G3AX-NFI24
3G3AX-NFI41/3G3AX-NFI42
3G3AX-NFI43

3G3JX Dimensions 20

3G3AX-NFI25

3G3JX Dimensions 21

EMC-compatible Noise Filter 3G3AX-EFI[][]

3G3AX-EFIB1
3G3AX-EFI21

3G3JX Dimensions 23

3G3AX-EFIB2
3G3AX-EFI22

3G3JX Dimensions 24

3G3AX-EFIB3
3G3AX-EFI23

3G3JX Dimensions 25

3G3AX-EFI24

3G3JX Dimensions 26

3G3AX-EFI25

3G3JX Dimensions 27

3G3AX-EFI41
3G3AX-EFI42

3G3JX Dimensions 28

3G3AX-EFI43/3G3AX-EFI44
3G3AX-EFI45

3G3JX Dimensions 29

Output Noise Filter 3G3AX-NFO[][]

3G3AX-NFO01
3G3AX-NFO02

3G3JX Dimensions 31

3G3AX-NFO03/3G3AX-NFO04/3G3AX-NFO05
3G3AX-NFO06/3G3AX-NFO07

3G3JX Dimensions 32
3G3JX Dimensions 33

DC Reactor 3G3AX-DL[][][][]

3G3JX Dimensions 35
3G3JX Dimensions 36

AC Reactor 3G3AX-AL[][][][]

3G3AX-AL2025
3G3AX-AL2055

3G3JX Dimensions 38

3G3AX-AL2110

3G3JX Dimensions 39

3G3AX-AL4025/3G3AX-AL4055
3G3AX-AL4110

3G3JX Dimensions 40
3G3JX Dimensions 41

Digital Operator 3G3AX-OP01

3G3JX Dimensions 43