Page top

Industrial Automation

Industrial Automation

PYF[][]S / P2RF-[][]-S

Screwless Clamp Terminal Sockets

PYF[][]S / P2RF-[][]-S

New Screwless Terminal Sockets Added for MY and G2R Relays.

(Unit: mm)

Sockets

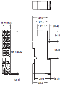
PYF08S

PYF[][]S / P2RF-[][]-S Dimensions 2

PYF14S

PYF[][]S / P2RF-[][]-S Dimensions 3

P2RF-05-S

PYF[][]S / P2RF-[][]-S Dimensions 4

P2RF-08-S

PYF[][]S / P2RF-[][]-S Dimensions 5

Accessories (Order Separately)

Short Bars

PYF[][]S / P2RF-[][]-S Dimensions 7

Note: Use the Socket Bridges for relay coil bridge wiring.

Release Levers

PYCM-14S

PYF[][]S / P2RF-[][]-S Dimensions 9

PYCM-08S

PYF[][]S / P2RF-[][]-S Dimensions 10

P2CM-S

PYF[][]S / P2RF-[][]-S Dimensions 11

Mounting Heights

PYF08S

PYF[][]S / P2RF-[][]-S Dimensions 13

PYF14S

PYF[][]S / P2RF-[][]-S Dimensions 14

P2RF-[][]-S

PYF[][]S / P2RF-[][]-S Dimensions 15

Figures of height in () is with G2R Relays with Latching Lervers.
Values indicated with asterisks are for when using a PFP-N Track.
The values increase by approximately 9 mm when using a PFP-N Track.