Page top

Industrial Automation

Industrial Automation

G7Z

Power Relays

G7Z

Multi-pole Power Relay for Contactor Current Range Capable of Carrying and Switching 40 A at 440 VAC

(Unit: mm)

Relay (12 VDC, 24 VDC) with Auxiliary Contact Block

4 poles + 2 poles (Relay with Auxiliary Contact)
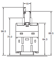
G7Z-4A-[]Z-R
G7Z-3A1B-[]Z-R
G7Z-2A2B-[]Z-R

G7Z Dimensions 2

Note: The dimensions are typical values.

Relay (12 VDC, 24 VDC)

4 Poles

G7Z Dimensions 4

Note: The dimensions are typical values.

Contact Block

G73Z-[]Z-R

G7Z Dimensions 7

Note: The dimensions are typical values.

Auxiliary DIN Track Mounting Height (when using the PFP-100N or PFP-50N mounting rail)

G7Z Dimensions 9

Note: The dimensions are typical values.